EasyManua.ls Logo

Winterwarm TR - 11 Electrical Wiring Diagram

Winterwarm TR
32 pages
Print Icon
To Next Page IconTo Next Page
To Next Page IconTo Next Page
To Previous Page IconTo Previous Page
To Previous Page IconTo Previous Page
Loading...
26
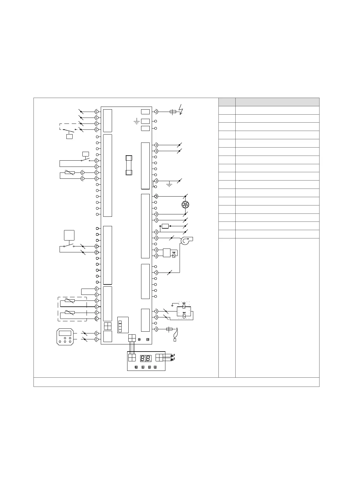
11 Electrical wiring diagram
A complete electrical wiring diagram is shown in figure 25/26. The connections that are most important to the installation
process are shown in figure 27.
20K@25°C
22°C
F1: 5AT
20K@25°C
20K@25°C
J9- 1
J9- 3
J9- 2
J9- 4
J6- 1
J6- 8
J6- 2
J6- 9
J6- 3
J6- 10
J6- 4
J6- 11
J6- 5
J6- 12
J6- 6
J6- 13
J7- 1
J7- 2
J7- 3
J7- 4
J7- 5
J7- 6
J7- 7
J7- 8
J7- 9
J7- 10
J12- 1
J12- 4
J12- 2
J12- 5
J12- 3
J12- 6
J8- 1
J8- 2
J6- 7
J6- 14
T1
J2- 1..6
J1- 1
J1- 5
J1- 2
J1- 6
J1- 3
J1- 7
J1- 4
J1- 8
J3- 2
J3- 6
J3- 1
J3- 7
J3- 3
J3- 8
J3- 4
J3- 9
J3- 5
J3- 10
J4- 2
J4- 3
J4- 5
J4- 4
J4- 1
J4- 6
J5- 1
J5- 2
J5- 4
J5- 3
4 3
1
2
J25
LED RESET
4
3
1
2
4
3
1
2
L on/off
12
11
5
4
J17
N
L
N
L
~
~
+
-
Rect.
7
6
N
L
13
14
4
3
1
2
J16
4
3
1
2
A/+
24V
B/-
GND
20 (GND)
21 (0-10V)
dP
C2
C3
C4
C6
D1
D2
I3
M1
M4
S2
T1
T4
V2
I2
V2
K6
K6
11
13
Modbus
L
N
P1
9 (A1)
10 (A2)
A1
8 (N)
K6
PE
A1
A2
RT
No. Connection type
A1 Alarm output 230 V (optional)
C2 Modbus connection
C3 0 - 10 V input (optional)
D1 Display (2 x 7 segment)
D2 Red and green LED
F1 Glass fuse (5 x 20 mm 5AT)
I2 Ignition electrode
I3 Ionisation electrode
K6 External reset (optional)
M1 System fan (ON/OFF)
M4 Combustion fan (flue gases)
P1 Power supply (230 V)
S2 Pressure switch (combustion)
T1 Temperature sensor (heat exchanger)
T4 Temperature sensor (delta-T)
V2 High/low valve with rectifier
Figure 25 - Electrical wiring diagram TR10 - 80

Other manuals for Winterwarm TR

Related product manuals