EasyManua.ls Logo

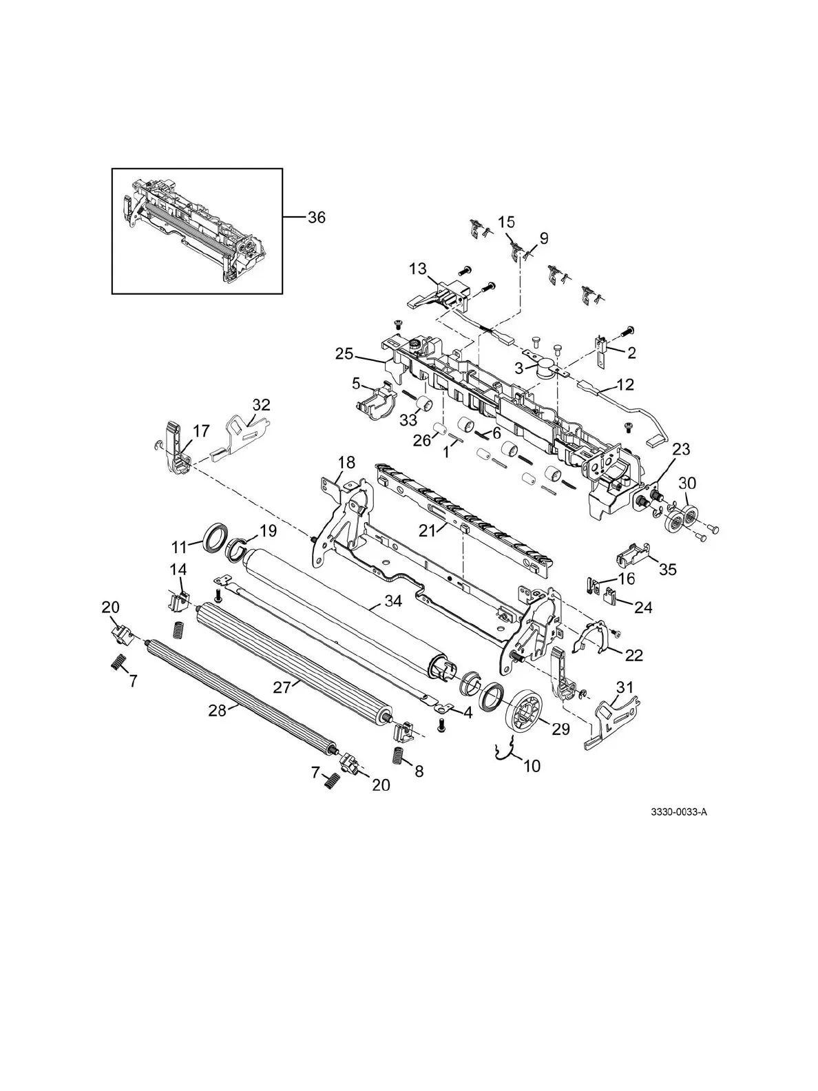
Xerox WorkCentre 3335 - Parts List 3.3 Fuser

Xerox WorkCentre 3335
434 pages
To Next Page IconTo Next Page
To Next Page IconTo Next Page
To Previous Page IconTo Previous Page
To Previous Page IconTo Previous Page
Loading...
Parts Lists
Phaser 3330 and WorkCentre 3335/3345 Xerox Internal Use Only
Service Manual
5-20
Parts List 3.3 Fuser

Table of Contents

Other manuals for Xerox WorkCentre 3335

Related product manuals