EasyManua.ls Logo

Xilinx SP605 - Status LEDs

Xilinx SP605
67 pages
Print Icon
To Next Page IconTo Next Page
To Next Page IconTo Next Page
To Previous Page IconTo Previous Page
To Previous Page IconTo Previous Page
Loading...
SP605 Hardware User Guide www.xilinx.com 41
UG526 (v1.1.1) February 1, 2010
Detailed Description
16. User I/O
The SP605 provides the following user and general purpose I/O capabilities:
User LEDs
User Pushbutton Switches
User DIP Switch
User SIP Header
User SMA GPIO
User LEDs
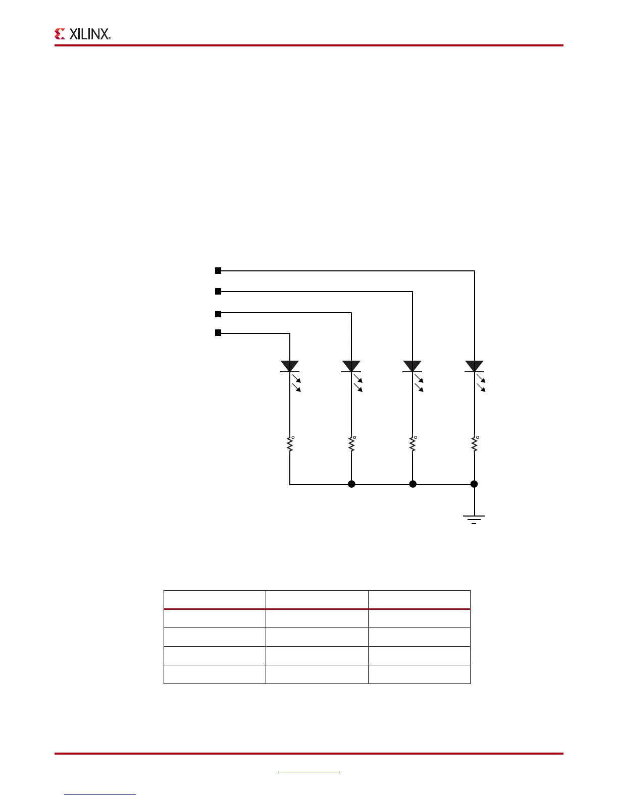
The SP605 provides four active-High green LEDs as described in Figure 1-15 and
Table 1-23.
X-Ref Target - Figure 1-15
Figure 1-15: User LEDs
Table 1-23: User LED Connections
U1 FPGA Pin Schematic Net Name Controlled LED
D17 GPIO_LED_0 DS3
AB4 GPIO_LED_1 DS4
D21 GPIO_LED_2 DS5
W15 GPIO_LED_3 DS6
R71
27.4
1%
1/16W
1
2
LED-GRN-SMT
2
DS6
1
UG526_15_092409
R72
27.4
1%
1/16W
1
2
LED-GRN-SMT
2
DS5
1
R73
27.4
1%
1/16W
1
2
LED-GRN-SMT
2
DS4
1
R74
27.4
1%
1/16W
1
2
LED-GRN-SMT
2
DS3
1
GPIO LED 3
GPIO LED 2
GPIO LED 1
GPIO LED 0

Other manuals for Xilinx SP605

Related product manuals