EasyManua.ls Logo

Xinje DS3L Series - Page 118

Xinje DS3L Series
152 pages
Print Icon
To Next Page IconTo Next Page
To Next Page IconTo Next Page
To Previous Page IconTo Previous Page
To Previous Page IconTo Previous Page
Loading...
116
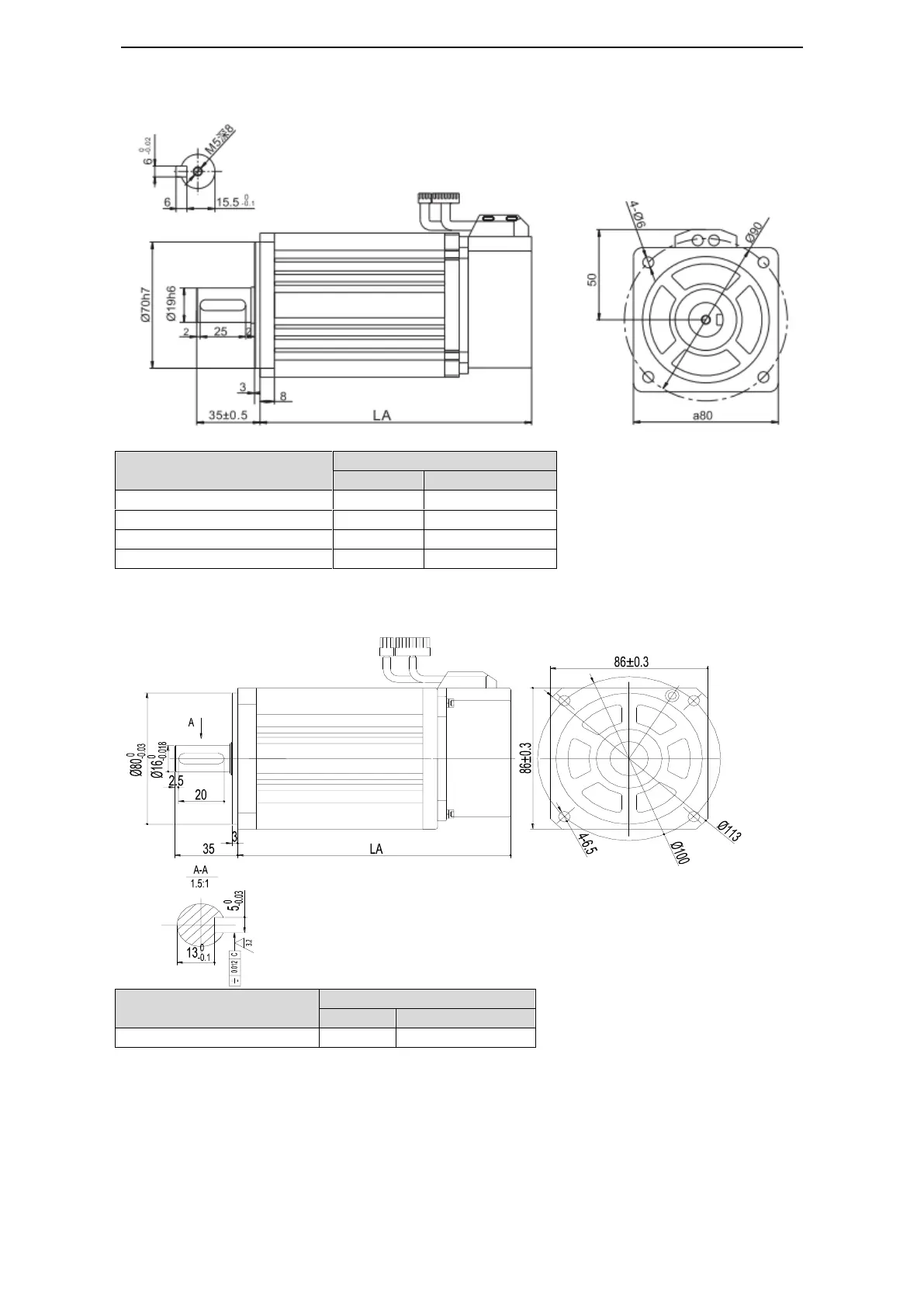
Dimensions of 80 series servo motors (unit: mm)
Type
LA
Normal
With brake
MS-80ST-M02430□-20P7
150
199
MS-80ST-M03520□-20P7
178
219
MS-80ST-M02430□□S-20P7
121
162
X2-80ST-M02430□□-20P7
151
-
Dimensions of 90 series servo motors (unit: mm)
Type
LA
Normal
With brake
MS-90ST-M02430□-20P7
149
194

Table of Contents

Related product manuals