EasyManua.ls Logo

Xinje DS3L Series - ABZ Phase Feedback Signal of Encoder (CN1 15-Pin Support)

Xinje DS3L Series
152 pages
Print Icon
To Next Page IconTo Next Page
To Next Page IconTo Next Page
To Previous Page IconTo Previous Page
To Previous Page IconTo Previous Page
Loading...
91
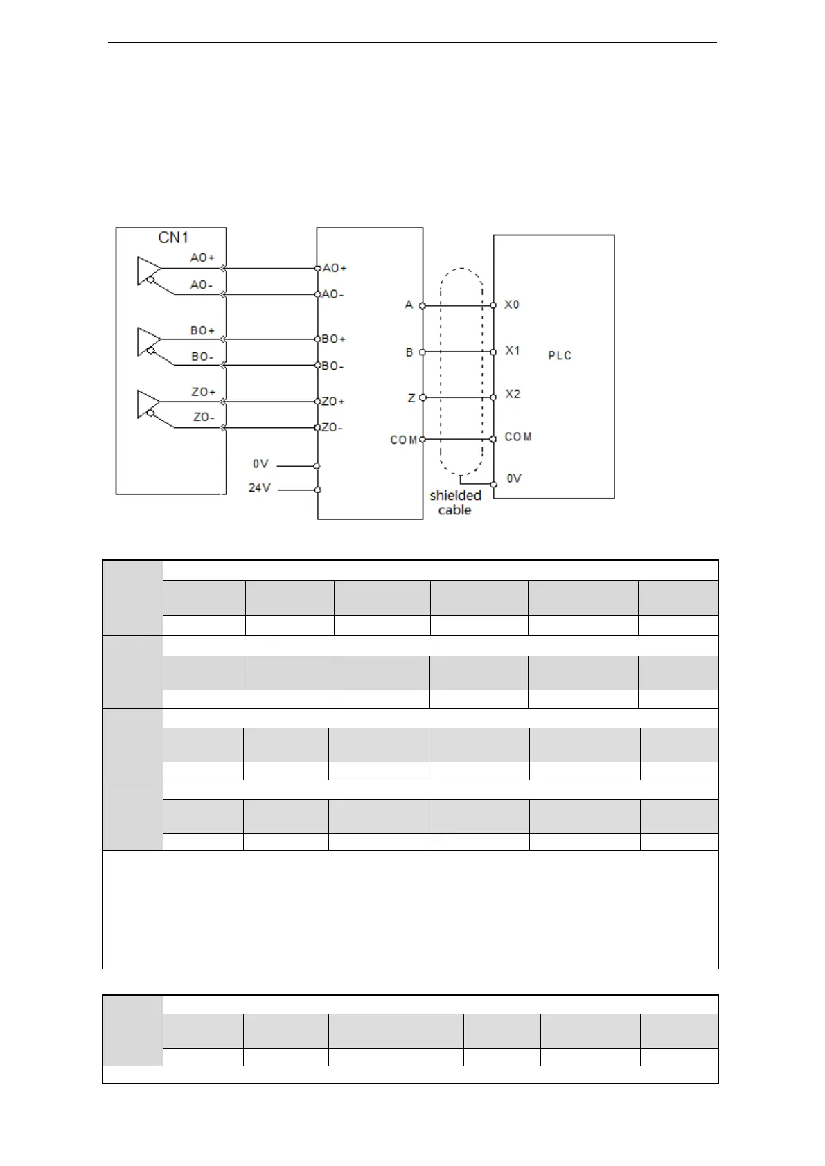
5-11-7. ABZ phase feedback signal of encoder (CN1 15-pin support)
1. Wiring diagram
DS3-2P-PQA/ DS3-4P-PQA DS3L-2P-PQA/ DS3L-4P-PQA support differential
output AB phase feedback signal.
Please see the following wiring diagram of DS3-21P5-PQA and Xinje PLC XC3-32RT-E.
Drive CN1(DB15) differential signal to collector PLC
2. Encoder feedback pulses per circle (DS3L cannot support)
P0-18
Encoder feedback pulse per circle (low bit)
Unit
Default
setting
Range
Suitable
mode
Change
Effective
1
2500
0~9999
All
Servo OFF
At once
P0-19
Encoder feedback pulse per circle (high bit)
Unit
Default
setting
Range
Suitable mode
Change
Effective
10000
0
0~65535
All
Servo OFF
At once
P0-20
Encoder pulse frequency division (numerator)
Unit
Default
setting
Range
Suitable
mode
Change
Effective
1
1~65535
All
Servo OFF
At once
P0-21
Encoder pulse frequency division (denominator)
Unit
Default
setting
Range
Suitable
mode
Change
Effective
1
1~65535
All
Servo OFF
At once
Explanation:
1. encoder feedback pulse is decided by P0-18, P0-19. When P0-18=P0-19=0, encoder pulse frequency
division will work. For example, the motor feedback 2500 pulses per circle, P0-18=P0-19=0 P0-20=1,
P0-21=4, the calculation method is (U2-21/22)*P0-20/P0-21.
2. If it is single phase count, the count value is equal to setting value for motor rotating one circle. If it
is AB phase count, the count value is 4 times of setting value for motor rotating one circle.
3. the feedback value should under 10000. If it is larger than 10000, the system will operate as 10000.
P0-17
Pulse frequency division output direction (DS3E/L cannot support)
Unit
Default
setting
Setting range
Suitable
mode
Modification
Effective
0
0~1
All
Servo OFF
At once
0: same to count direction 1: reverse to count direction

Table of Contents

Related product manuals