EasyManua.ls Logo

Yamaha 684CS - Page 157

Yamaha 684CS
497 pages
Print Icon
To Next Page IconTo Next Page
To Next Page IconTo Next Page
To Previous Page IconTo Previous Page
To Previous Page IconTo Previous Page
Loading...
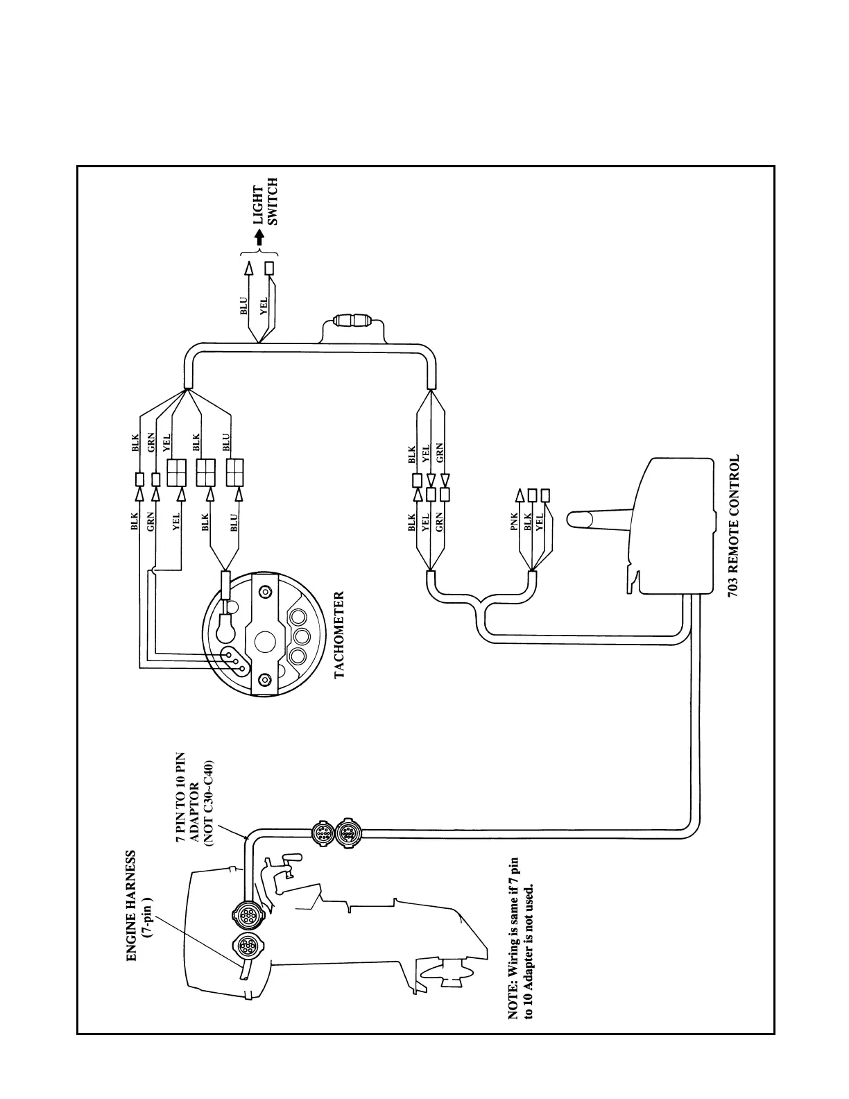
3-46
Outboard Rigging Guide - 2001 Boat Wiring Diagrams
9.9 ~ 30HP, 30 ~ C40 ~ 98 with 703 Control,
10-pin and Analog Tachometer

Table of Contents

Related product manuals