EasyManua.ls Logo

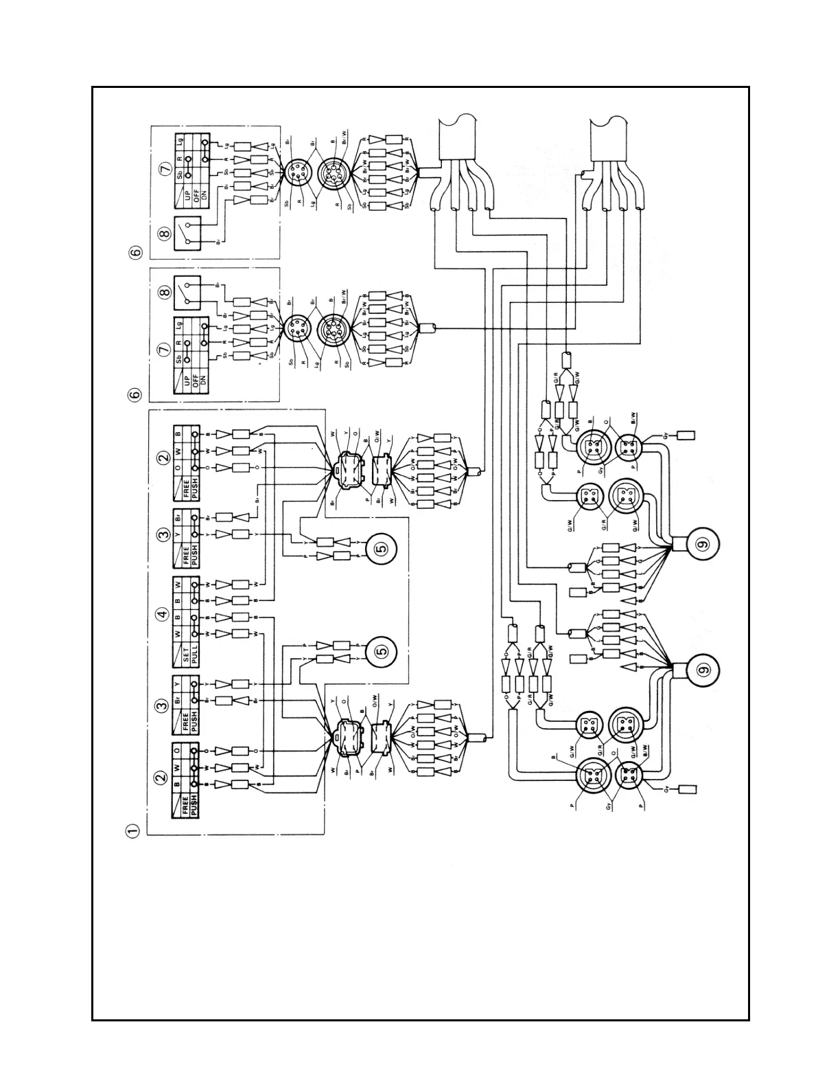
Yamaha 684CS - SECOND STATION (Twin Engine)

Yamaha 684CS
497 pages
Print Icon
To Next Page IconTo Next Page
To Next Page IconTo Next Page
To Previous Page IconTo Previous Page
To Previous Page IconTo Previous Page
Loading...
10A-39

Table of Contents

Related product manuals