EasyManua.ls Logo

Yamaha 684CS - Page 160

Yamaha 684CS
497 pages
Print Icon
To Next Page IconTo Next Page
To Next Page IconTo Next Page
To Previous Page IconTo Previous Page
To Previous Page IconTo Previous Page
Loading...
3-49
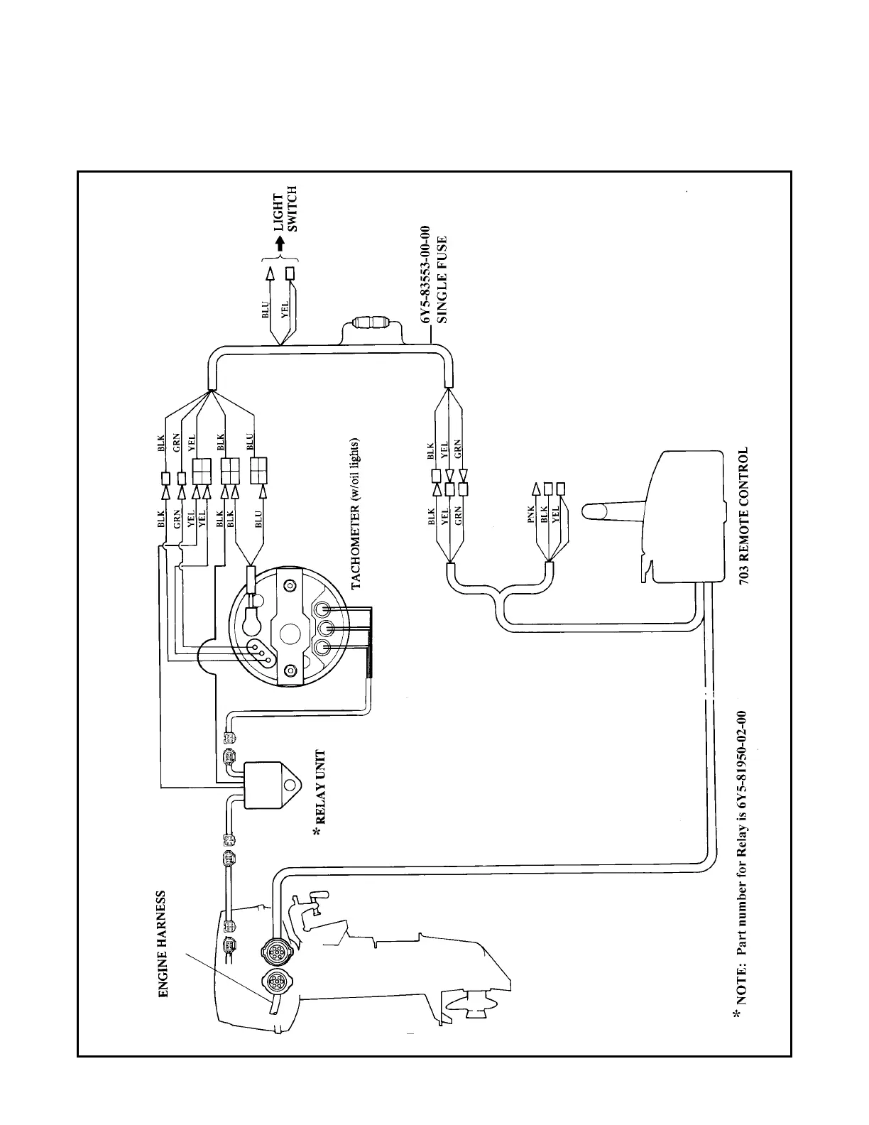
Outboard Rigging Guide - 2001 Boat Wiring Diagrams
40E, 50HP with 703 Control & Analog Tachometer
(Except 40T or P50)

Table of Contents

Related product manuals