EasyManua.ls Logo

Yamaha 684CS - Page 82

Yamaha 684CS
497 pages
Print Icon
To Next Page IconTo Next Page
To Next Page IconTo Next Page
To Previous Page IconTo Previous Page
To Previous Page IconTo Previous Page
Loading...
2-19
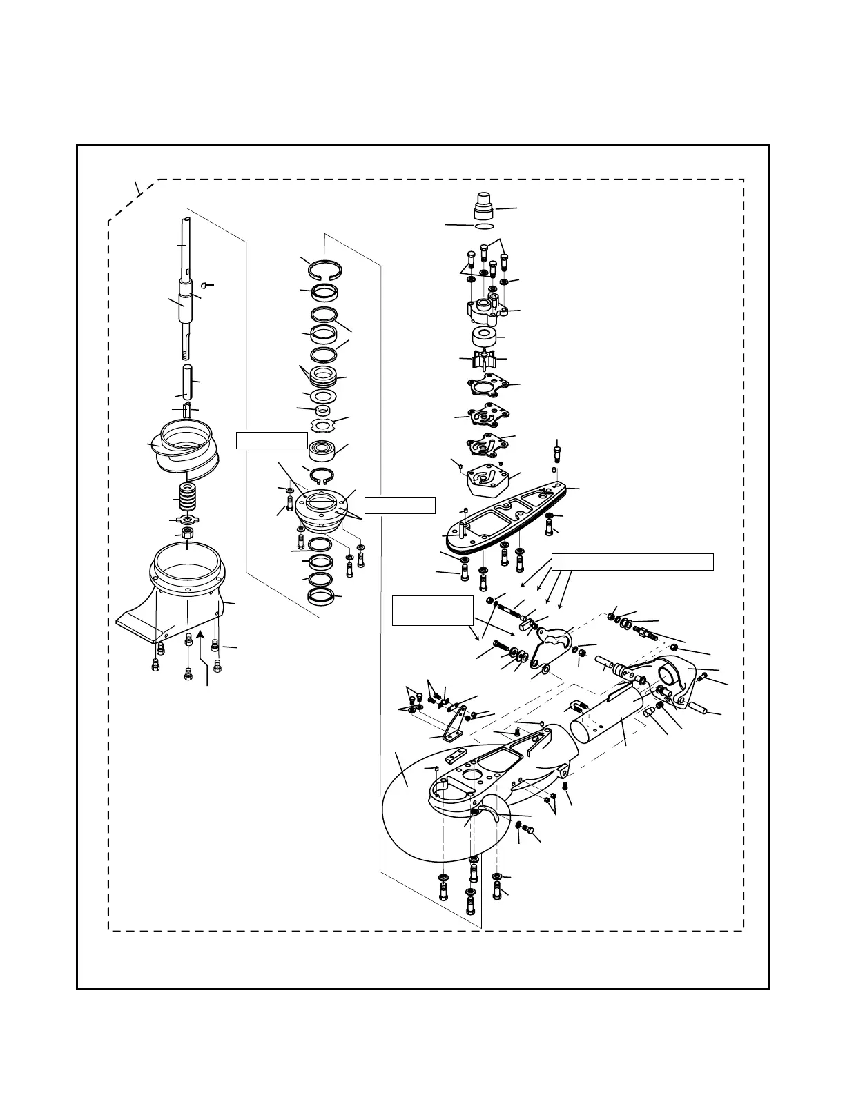
Outboard Rigging Guide - 2001 Jet Drive Eng. Mtg., Maintenance,
Shift Cable Instruction, Service Info.
40 and 50 Models
*Grease all threads
12
14
13
15
16
69
68
86
71
3
85
4
83
72
74
6
9
75
7
76
66
65
2
10
19
20
23
21
22
24
4
5
5
18
8
GREASE
SPLINES
GREASE
IMPELLER
SLEEVE
& KEY
10
6
84
80
79
78
11
77
81
82
17
6
16
'95 & LATER
'95 & LATER
NOT USED ON
PRE 95 40MJH
NOT USED ON PRE 95 40MJH
GREASE LIGHTLY
36
34
35
37
38
39
40
41
42
31
33*
32
55
43
45
54
52
51
44
53
50
49
88
87
46
88
48
47*
44
45
44
43
27
56
64*
65*
66
63
62
61
60
59
58
29*
56
25
57
26
27
30
28*
66
67
15
1

Table of Contents

Related product manuals