EasyManua.ls Logo

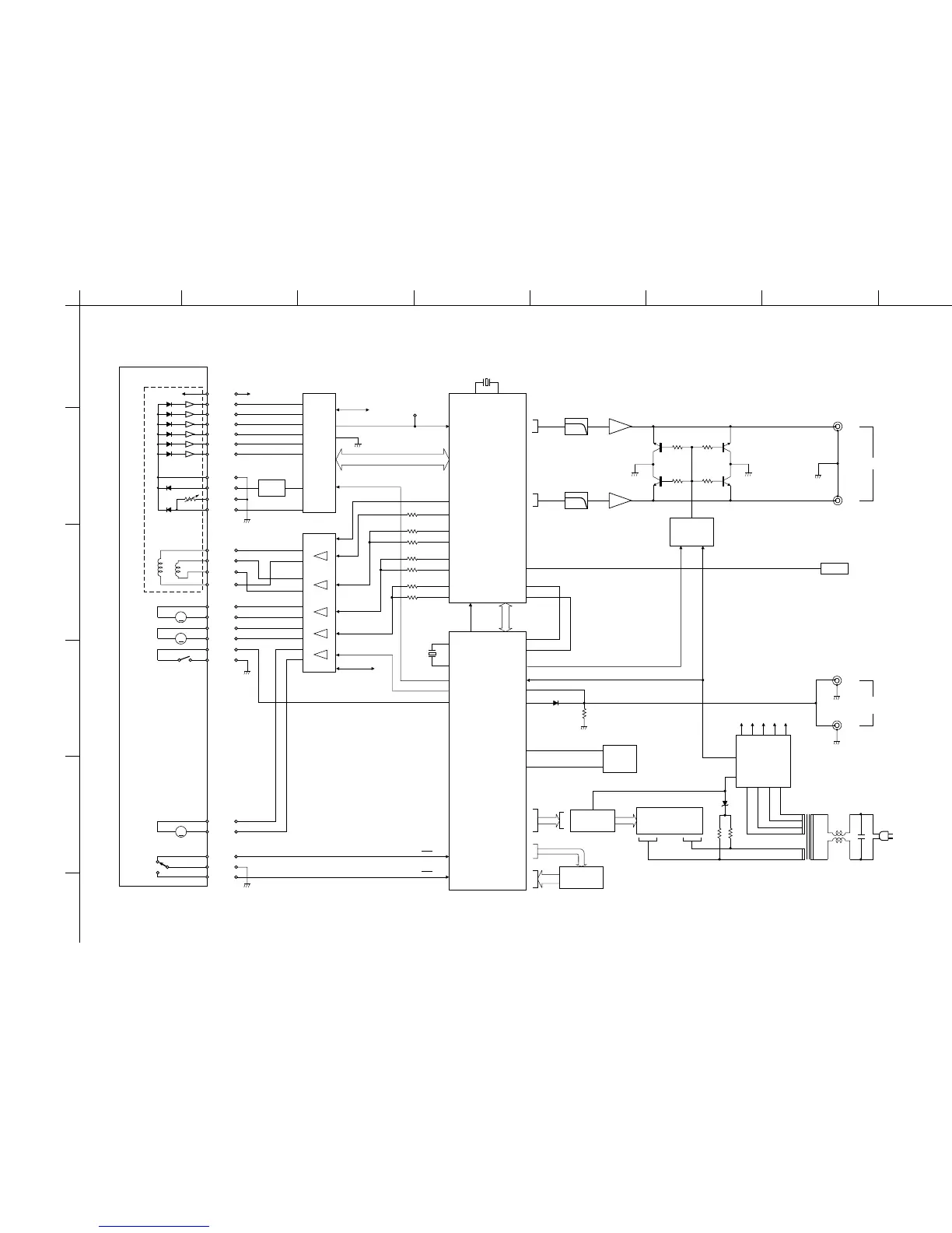
Yamaha CDX-E200 - System Block Diagram

Yamaha CDX-E200
33 pages
Print Icon
To Next Page IconTo Next Page
To Next Page IconTo Next Page
To Previous Page IconTo Previous Page
To Previous Page IconTo Previous Page
Loading...
ABCDEFGH
1
2
3
4
5
6
CDX-E200
IC102
MN35511AL
SPC+DAC
HEAD
AMP
IC101
AN8399SA
CONTROL
SYSTEM CONTROL
IC103
8bit CPU
µPD78076GF
CONTROL
DISPLAY DRIVE
IC301
LC75710NE
POWER
SUPPLY
IC4
Q8–10
D6–9, 11, 13
MUTE
CONTROL
Q7
D1–5
CB6
DISPLAY
V301
SPINDLE
PICK UP
FOCUS
TRACKING
FEED
FLSW
LOADING
LOADING
SW
VCC VCC
E
D
A
B
C
F
GND
LD
VR
FD
FCS+
TRK+
TRK–
FCS–
SPDL+
SPDL–
FEED+
FEED–
FLSW
GND
LOADING+
LOADING–
OPEN
GND
CLOSE
CLSW
OPSW
FLSW
+5
+5
ARF
EFM
TP1
VREF
5
9
28
32
29
31
30
27
2
1
28
25
26
14
13
17
18
11
12
1
18
7
6
23
2
20
21
17,20
IC1
AN8785SB
+5A
1
2
21
OP/CL 34
LDRCTL 32
22
21
25
24
27
26
28
29
44 63
64
65
66
LPF
IC5
LPF
IC5
IC3
IC3
Q3
Q5
Q4
Q6
11
10
15
47
48
5
18
XL102
RESET
IN
OUT
D105
4 MUTE
MDATA
MCLK
7
8
6TX
MDATA
MCLK
OUT L
OUT R
DIGITAL OUT
OPTICAL
LINE OUT
61
64
|
47
48
50
51
-VB +VB-5 +5A+5
8RESET
SYSCON
T401
L401
20
19
30 31 57 58
F1
F2
D12
L
PJ1
JK1
R
SYSTEM
CONNECTOR
FDO
KICK
TRD
ECM
ECS
TRV
TVD
(IC4)
58 59
XL101
6757
2131
68
69
K0-K2
KD0, KD1
76
78
|
KEY MATRIX
SW301–306
VF
ACF
ACF
IC104
EEP ROM
S-24CO1ADP
1
2
49
46
CS
SO
M
M
M
LD DRIVE
Q1
CD MECHA. UNIT
9
ARF
BLOCK DIAGRAM
E-19/J-17E-18/J-16

Other manuals for Yamaha CDX-E200

Related product manuals