EasyManua.ls Logo

Yamaha F200A - Features and Benefits

Yamaha F200A
56 pages
Print Icon
To Next Page IconTo Next Page
To Next Page IconTo Next Page
To Previous Page IconTo Previous Page
To Previous Page IconTo Previous Page
Loading...
60L3D1X
4
Features and benefits
1
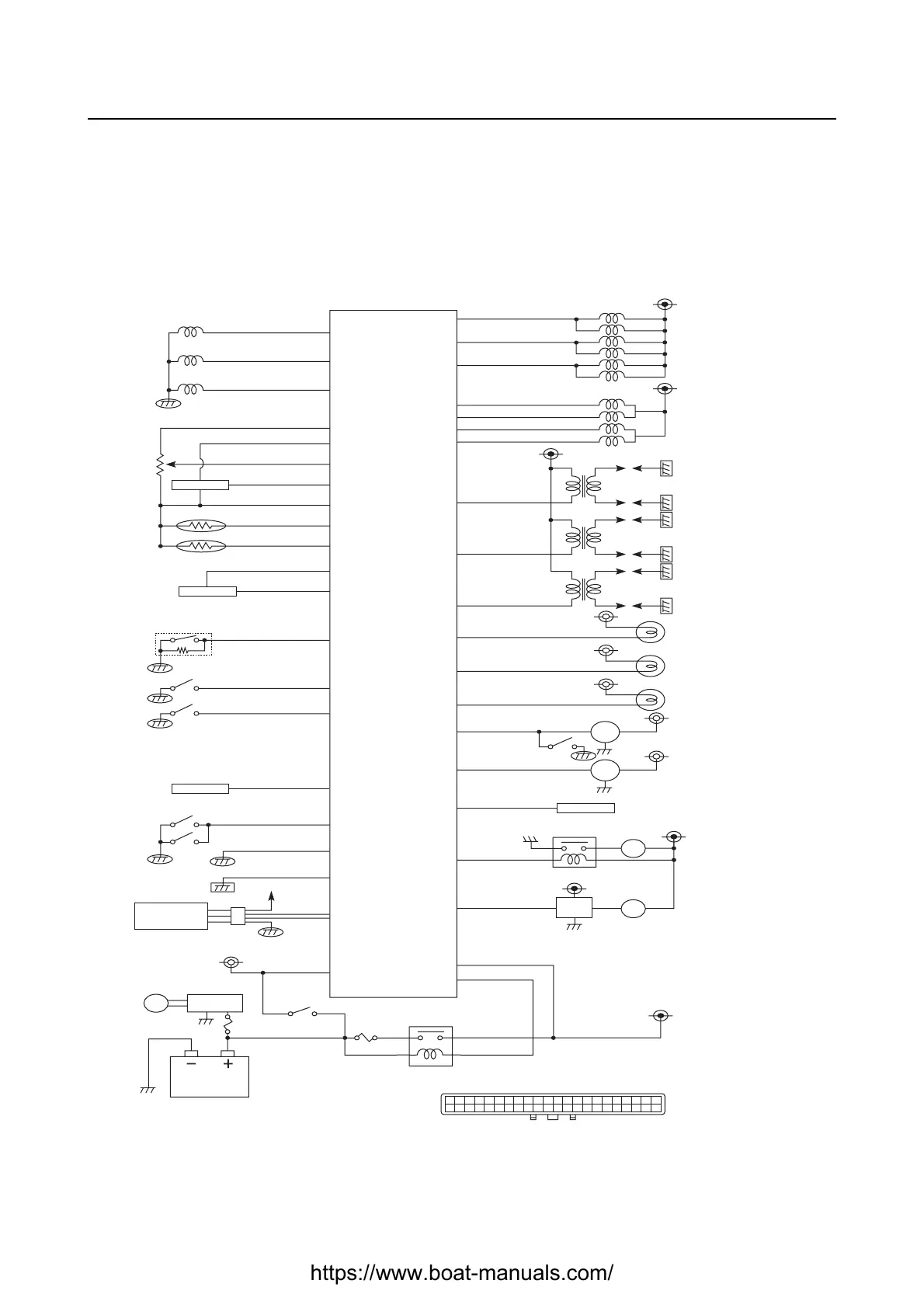
Electronic control system
The ECM controls the ignition timing, the fuel injection timing, the fuel injection volume, and the ISC
and it maintains a stoichiometric air-fuel ratio in all operating conditions, including starting and idling.
Also, the ECM converts the signals from the input sensors and sends instructions to each part.
B Z
T
P
P
~
S60L1180
Injector #1,4
40
ISC motor A
ISC motor B
ISC motor C
ISC motor D
Oil pressure warning lamp
Overheat warning lamp
Engine warning lamp
Buzzer
Tachometer
25
High-pressure fuel pump
Low-pressure fuel pump
Battery power source
Main relay
Connector pin position
Main relay
Battery
Rectifire/Regulator
Main switch
28
Power source
for diagnosis
lamp
36
Diagnosis signal
26
Personal
computer
Starboard bank
Port bank
Ground for power source
42
Ground for unit
32
Thermo switch
37
Neutral switch
31
6
Emergency engine stop switch
4
Shift cutoff switch
9
Oil pressure sensor
29
Power source for oil pressure sensor
10
Intake air temperature sensor
7
Engine temperature sensor
35
Ground for sensors
8
Intake air presssure sensor
33
TPS
34
Power source for intake air pressure sensor
11
Power source for TPS
12
Pulser coil #3
13
Pulser coil #2
14
Pulser coil #1
15
Vacancy
DES switch
Vacancy
Ignition coil #1,4
ECM
Ignition coil #2,5
Ignition coil #3,6
Injector #2,5
39
Injector #3,6
20
18
21
19
24
23
27
3
1
17
16
44 43 42 41 40 39 38 37 36 35 34 33 32 31 30 29 28 27 26 25 24 23
22 21 20 19 18 17 16 15 14 13 12 11 10 9 8 7 6 5 4 3 2 1
30
2
22
44
43
38
Identification / Features and benefits
https://www.boat-manuals.com/

Other manuals for Yamaha F200A

Related product manuals