EasyManua.ls Logo

Yamaha MT 10 2016 - Signaling System; Circuit Diagram

Yamaha MT 10 2016
658 pages
Print Icon
To Next Page IconTo Next Page
To Next Page IconTo Next Page
To Previous Page IconTo Previous Page
To Previous Page IconTo Previous Page
Loading...
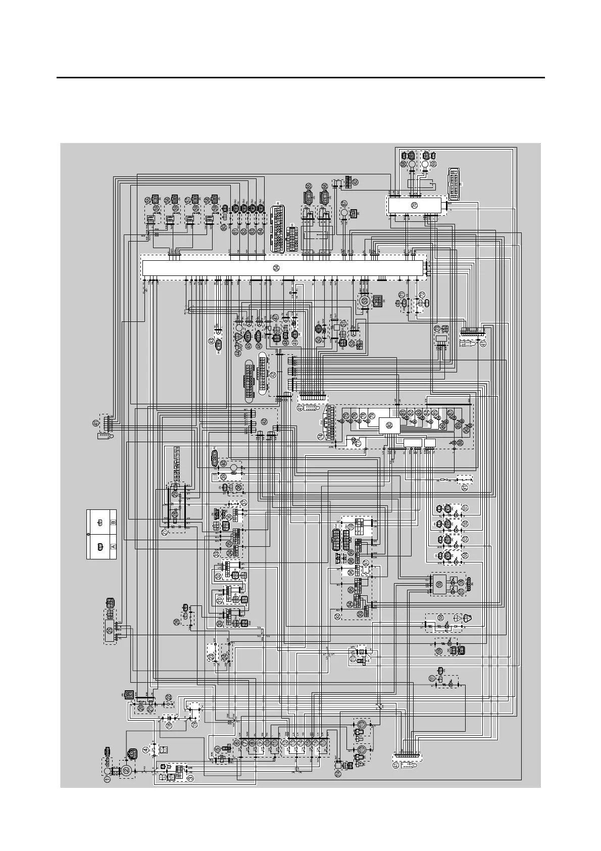
SIGNALING SYSTEM
8-21
EAS20076
SIGNALING SYSTEM
EAS30500
CIRCUIT DIAGRAM

Table of Contents