EasyManua.ls Logo

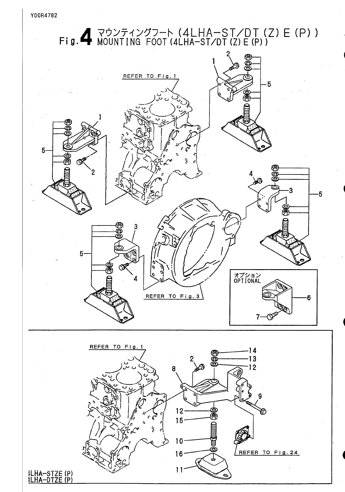
Yanmar 4LHA-DTP - Mounting Foot(4 Lha-St;Dt(Z)E(P))

Yanmar 4LHA-DTP
670 pages
Print Icon
To Next Page IconTo Next Page
To Next Page IconTo Next Page
To Previous Page IconTo Previous Page
To Previous Page IconTo Previous Page
Loading...
Y00R4782
Fig.
4
73>TO^-h
(4LHA-ST/DT (Z) E (P) )
MOUNTING FOOT (4LHA-ST/DT (Z)
E
(P))
2
REFER
TO Fig.l
(A/ /
.
/
c
r*
OPTIONAL
^n^.
c
OPTIONAL
^n^.
0
iLHA-SUb
(p)
1LHA-DTZE
(P)
REFER
TO Fig.24

Table of Contents

Related product manuals