EasyManua.ls Logo

YASKAWA SIGMA 5 - Installation Safety and Mounting

YASKAWA SIGMA 5
28 pages
Print Icon
To Next Page IconTo Next Page
To Next Page IconTo Next Page
To Previous Page IconTo Previous Page
To Previous Page IconTo Previous Page
Loading...
2-3
163475-1CD
163475-1CD
MHTH Postioner
SIGMA V
2 Installation
2.3 Installation Safety
2.3 Installation Safety
Warning signs and restrictive devices such as fencing, chains, safety
mats, or light beams must be placed around the working area of the robot/
positioner. Warning signs should indicate hazardous conditions and
results that may occur if the warning is disregarded. Refer to local
regulations regarding Machine Safety.
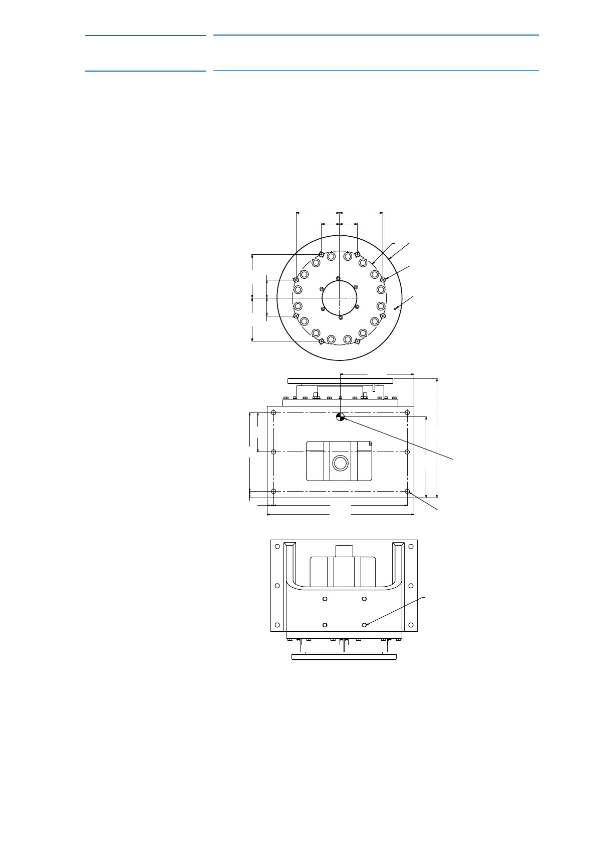
2.3.1 Dimensions
Fig. 2-4: Dimensions
2.3.2 Mounting
The MHTH Headstock should be firmly mounted on a base plate or
f
oundation rigid enough to support the weight and also withstand repulsion
forces. The surface should be level and even. If it is uneven, grind the
swell and flatten the surface. All floor requirements are application specific
and must be determined by the project engineer overseeing the
installation.
6X Ø 17 THRU
MOUNTING HOLES
CENTER OF
GRAVITY LOCATION
MASS 293.7 kg
4 X M16 X 2
LIFTING HOLES
455
288
510
560
150
300
25
Ø 400
Ø 5 THRU
FOR HOMING PIN
8X M16 X2 X 22
Ø 300
2X 572X 57
138138
138
138
2X 57
2X 57
280
18/28

Related product manuals