EasyManua.ls Logo

York YPC - How It Works; Steam Machines

York YPC
24 pages
Print Icon
To Next Page IconTo Next Page
To Next Page IconTo Next Page
To Previous Page IconTo Previous Page
To Previous Page IconTo Previous Page
Loading...
4 JOHNSON CONTROLS
FORM 155.19-EG3 (1011)
How It Works
STEAM MACHINES
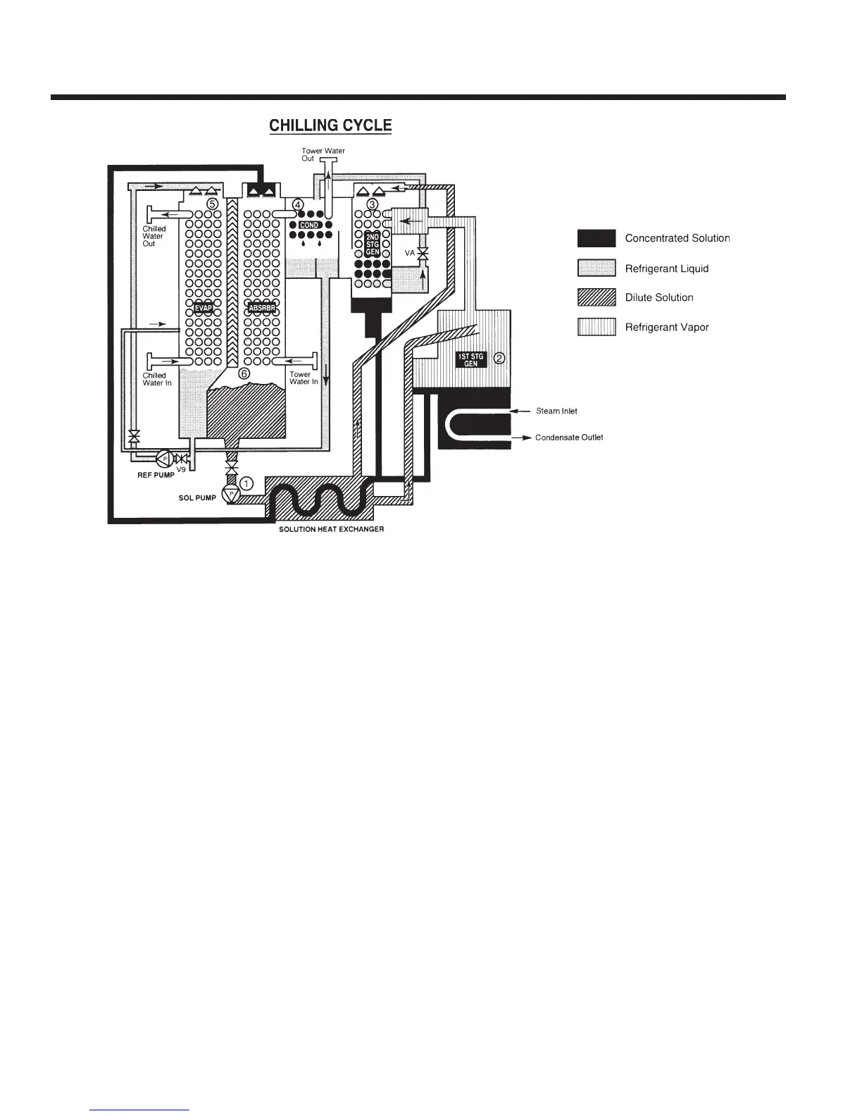
YPC Two-Stage Absorption’s remarkably efcient two-
stage absorption refrigeration cycle uses water as the
refrigerant and lithium-bromide (LiBr) as the absorbent. It
is the strong afnity these two substances have for each
other that makes the cycle work. The entire process oc-
curs in hermetic vessels in an almost complete vacuum.
The large diagram above indicates the complete chilling
cycle. The six steps are detailed below, with correspond-
ing numbers in the diagram to show where each step
takes place. YPC’s absorption chilling cycle is continuous;
however, for the sake of clarity and simplicity, it is divided
into six steps.
1. Solution Pump/Heat Exchangers
A dilute solution (58.3%) of LiBr and water descends from
the Absorber to the Solution Pump. This ow of dilute
solution is split into two streams and pumped through
heat exchangers to the First-Stage Generator and to the
Second-Stage Generator.
YPC’s exclusive two-way split of solution ow virtually
eliminates the possibility of crystallization (solidication)
by allowing the unit to operate at much lower solution
concentration and temperatures than series ow systems.
2. First‑stage Generator
An outside steam source heats dilute LiBr (58.3%) coming
from the Solution Pump/Heat Exchangers. This produces
hot refrigerant vapor which is sent to the Second-Stage
Generator, leaving a concentrated solution (63.8%) that
is returned to the Heat Exchangers.
3. Second‑Stage Generator
The energy source for the production of refrigerant vapor
in the Second-Stage Generator is the hot refrigerant vapor
produced by the First-Stage Generator.
This is the heart of the remarkably efcient two-stage
absorption effect. The refrigerant vapor produced in the
rst-stage Generator is increased by 40% at no addi-
tional expense of fuel. The result is much higher efciency
than in conventional systems.
This additional refrigerant vapor is produced when dilute
solution from the Heat Exchanger is heated by refriger-
ant vapor from the First-Stage Generator. The additional
concentrated solution that results is returned to the Ex-
changer. The refrigerant vapor from the rst-stage Genera-
tor condenses into liquid giving up its heat, and continues
to the Condenser.

Related product manuals