EasyManua.ls Logo

Zeiss Axio Imager.A2 - Overall View of Axio Imager - Motorized

Zeiss Axio Imager.A2
194 pages
Print Icon
To Next Page IconTo Next Page
To Next Page IconTo Next Page
To Previous Page IconTo Previous Page
To Previous Page IconTo Previous Page
Loading...
INTRODUCTION
Carl Zeiss Overall view of Axio Imager - motorized Axio Imager
14 430000-7344-001 M70-2-0020 e 06/2009
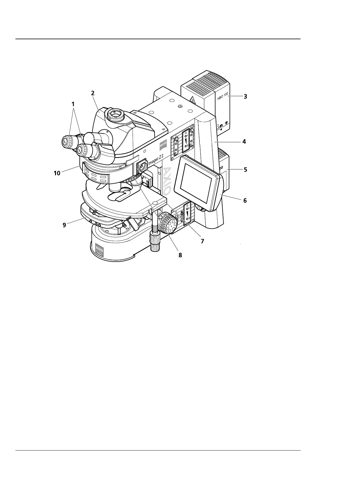
1.5 Overall view of Axio Imager - motorized
1 Eyepieces
2 Binocular phototube
3 Reflected-light illuminator (HBO 100)
4 Microscope stand, motorized
5 Transmitted-light illuminator (HAL 100)
6 TFT display
7 Mechanical stage
8 Nosepiece
9 Condenser
10 Reflector turret

Table of Contents

Related product manuals