EasyManua.ls Logo

ZOJE ZJ8800A - Machine Frame and Cover Components

ZOJE ZJ8800A
43 pages
Print Icon
To Next Page IconTo Next Page
To Next Page IconTo Next Page
To Previous Page IconTo Previous Page
To Previous Page IconTo Previous Page
Loading...
1,
m
76
7t!L-flf
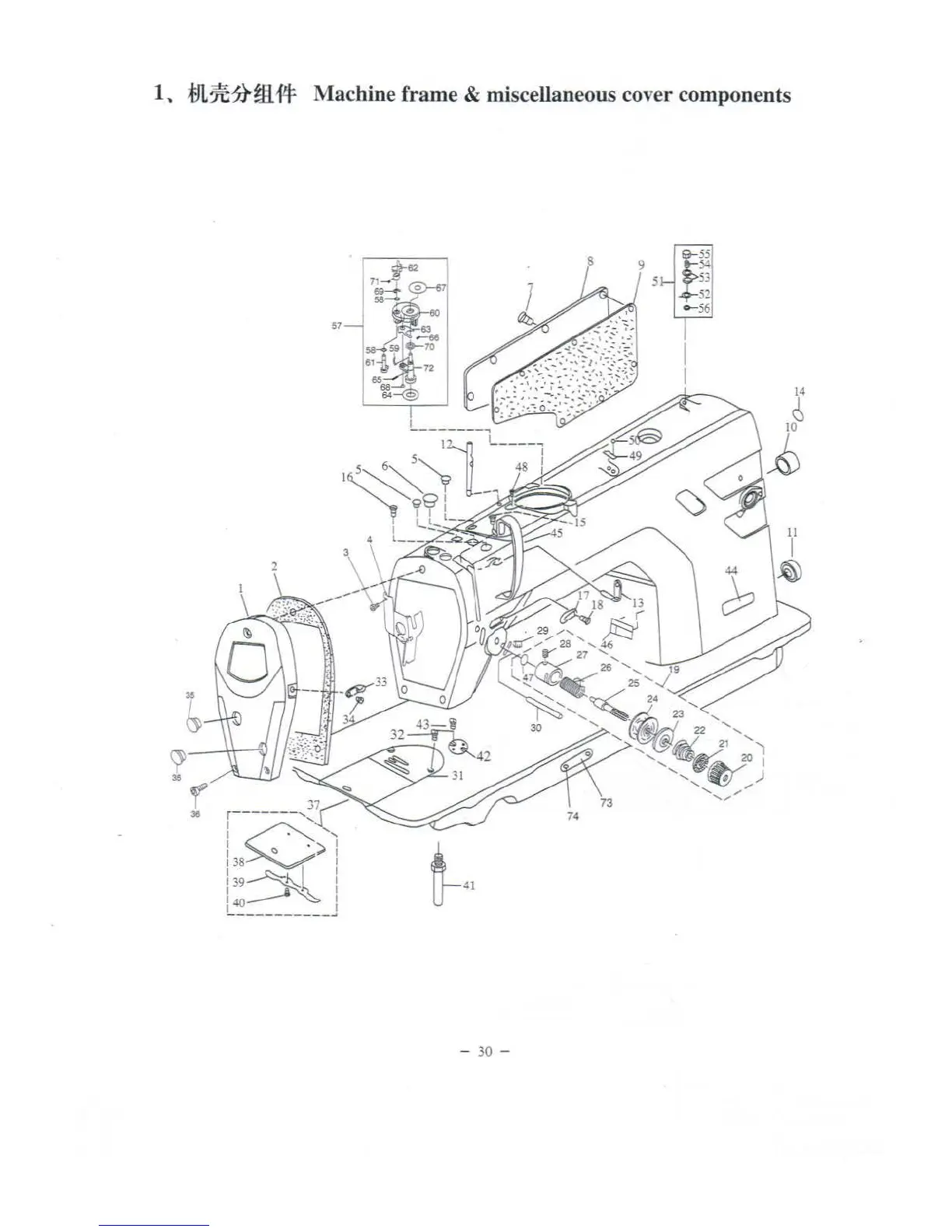
Machine frame & miscellaneous cover components
8
35
f
3e r
--
0
-------2Y
I
,,
I
•>
I
l3s:5LC) l
I I
I
39
b-._
I
I
~
I
140
---
- I
L
____
_
_____
J
74
-
30-
From the library of: Superior Sewing Machine & Supply LLC

Related product manuals