EasyManua.ls Logo

ZONE RV Expedition - 12 V System Line Diagram; 12 V Electrical System Circuit Diagram

Default Icon
42 pages
Print Icon
To Next Page IconTo Next Page
To Next Page IconTo Next Page
To Previous Page IconTo Previous Page
To Previous Page IconTo Previous Page
Loading...
09
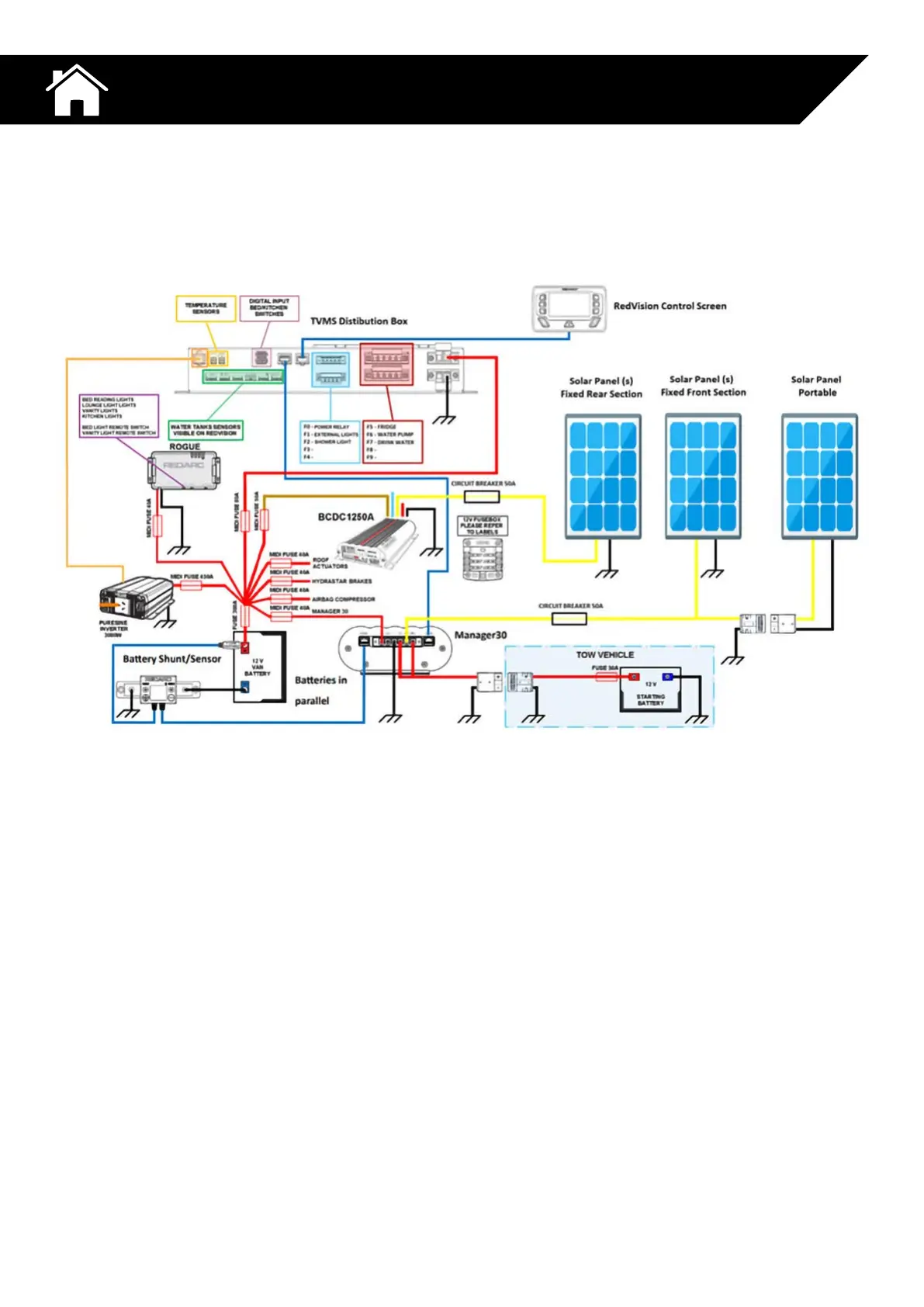
12V LINE DIAGRAM
Location: Inside of the REDARC service panel – Drivers side
AA
BB
A10A Max Circuit Fuses
1. FansPower Relay
2. AirbagsExternal Lights
3. Vanity LEDShower Light
4. Cabinetry LED
5. Front Light
C10A Max Circuit Fuses
1. Bed Reading Lights
2. Lounge Lights
3. Vanity Lights
4. Kitchen Lights
5. Bed Light Remote Switch
Vanity Light Remote Switch
B–30A Max Circuit Fuses
1. Fridge
2. Water Pump
3. Roof Lights
4. Hatch Fans
5. Drinking. Water
REDARC DIGITAL
MANAGEMENT SYSTEM