EasyManua.ls Logo

Zte MC889 - Page 18

Zte MC889
68 pages
Go to English
To Next Page IconTo Next Page
To Next Page IconTo Next Page
To Previous Page IconTo Previous Page
To Previous Page IconTo Previous Page
Loading...
16
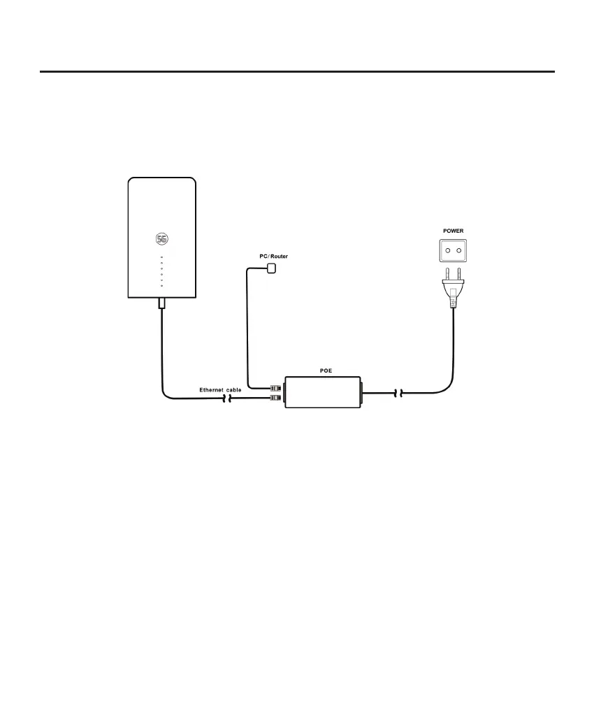
5. Свързване на POE адаптера
1. Свържете мрежовия кабел CAT5E, който е от MC889 към мрежовия порт
(RJ45-2) на POE адаптера.
2. Свържете мрежовия порт на компютъра (RJ45-1) на POE адаптера към
компютъра/IDU (рутер) с мрежов кабел RJ-45.

Related product manuals