EasyManua.ls Logo

A&D GF-3000 - 19. Maintenance Guidelines; 20. Troubleshooting Balance Issues; 20-1 Checking Performance and Environment

A&D GF-3000
82 pages
Print Icon
To Next Page IconTo Next Page
To Next Page IconTo Next Page
To Previous Page IconTo Previous Page
To Previous Page IconTo Previous Page
Loading...
66
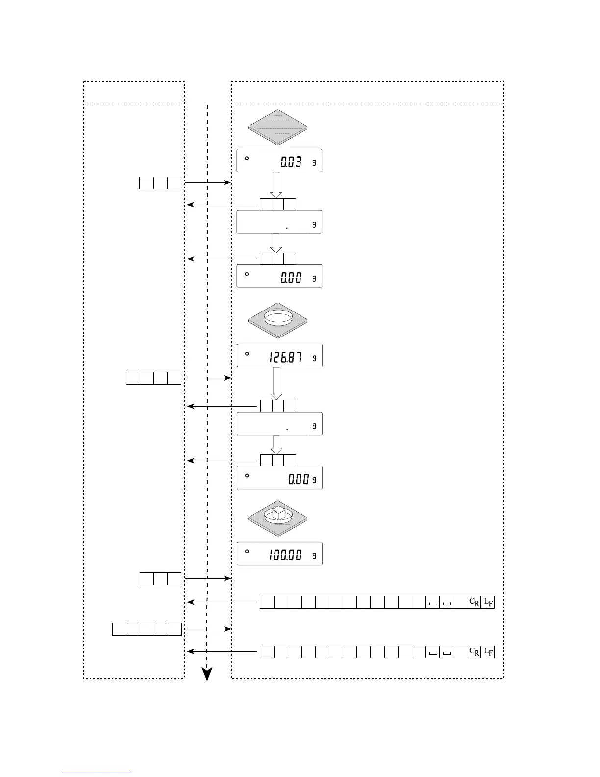
Weighing with a tare
Sets the display to zero
Zero display
Personal computer Time Balance
R command
R
C
R
L
F
AK
C
R
L
F
AK
C
R
L
F
Place a container
Zero display
TR command
R
C
R
L
F
AK
C
R
L
F
AK
C
R
L
F
T
Tares
PT,+00126.87  
ST,+00100.00  
C
R
L
F
S command
R
?PT command
P? T
C
R
L
F
In process
Command received
Command completed
In process
Command received
Command completed
(Net value)
(Tare value)

Table of Contents

Other manuals for A&D GF-3000

Related product manuals