EasyManua.ls Logo

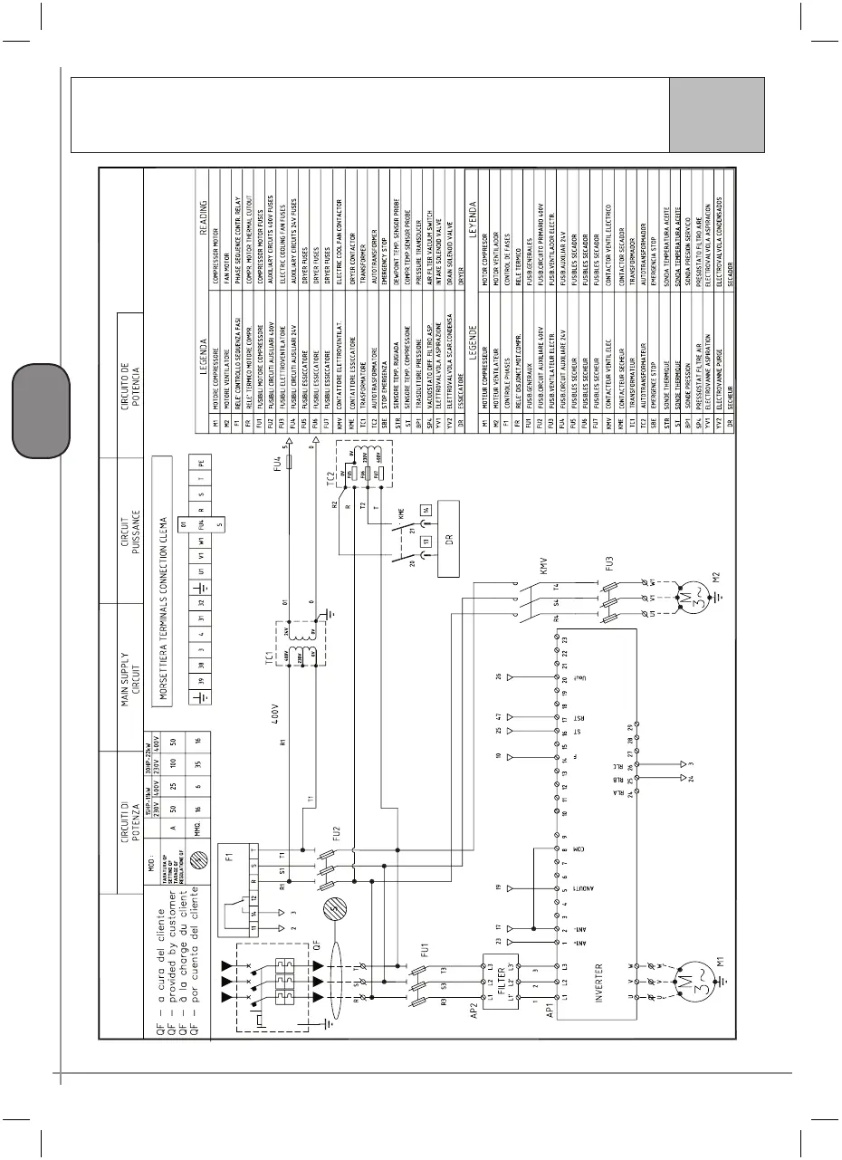
ABAC FORMULA Series - Power Circuit Diagram (11 kW Inverter)

ABAC FORMULA Series
91 pages
Print Icon
To Next Page IconTo Next Page
To Next Page IconTo Next Page
To Previous Page IconTo Previous Page
To Previous Page IconTo Previous Page
Loading...
P. 84 - Chap. 12 Diagrams
G
B
Power circuit wiring diagram 11 kW
Machines with inverter
12.4

Table of Contents

Related product manuals