EasyManua.ls Logo

ABAC FORMULA Series - Auxiliary Circuit Diagram (11 kW Inverter)

ABAC FORMULA Series
91 pages
Print Icon
To Next Page IconTo Next Page
To Next Page IconTo Next Page
To Previous Page IconTo Previous Page
To Previous Page IconTo Previous Page
Loading...
P. 87 - Chap. 12 Diagrams
G
B
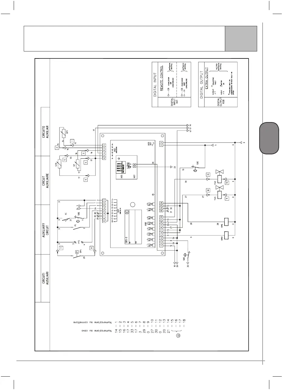
Auxiliary circuit wiring diagram 11 kW
Machines with inverter
12.7

Table of Contents

Related product manuals