EasyManua.ls Logo

ABB ACS355 series - Frame Size R1, IP66;67 UL Type 4 X

ABB ACS355 series
47 pages
To Next Page IconTo Next Page
To Next Page IconTo Next Page
To Previous Page IconTo Previous Page
To Previous Page IconTo Previous Page
Loading...
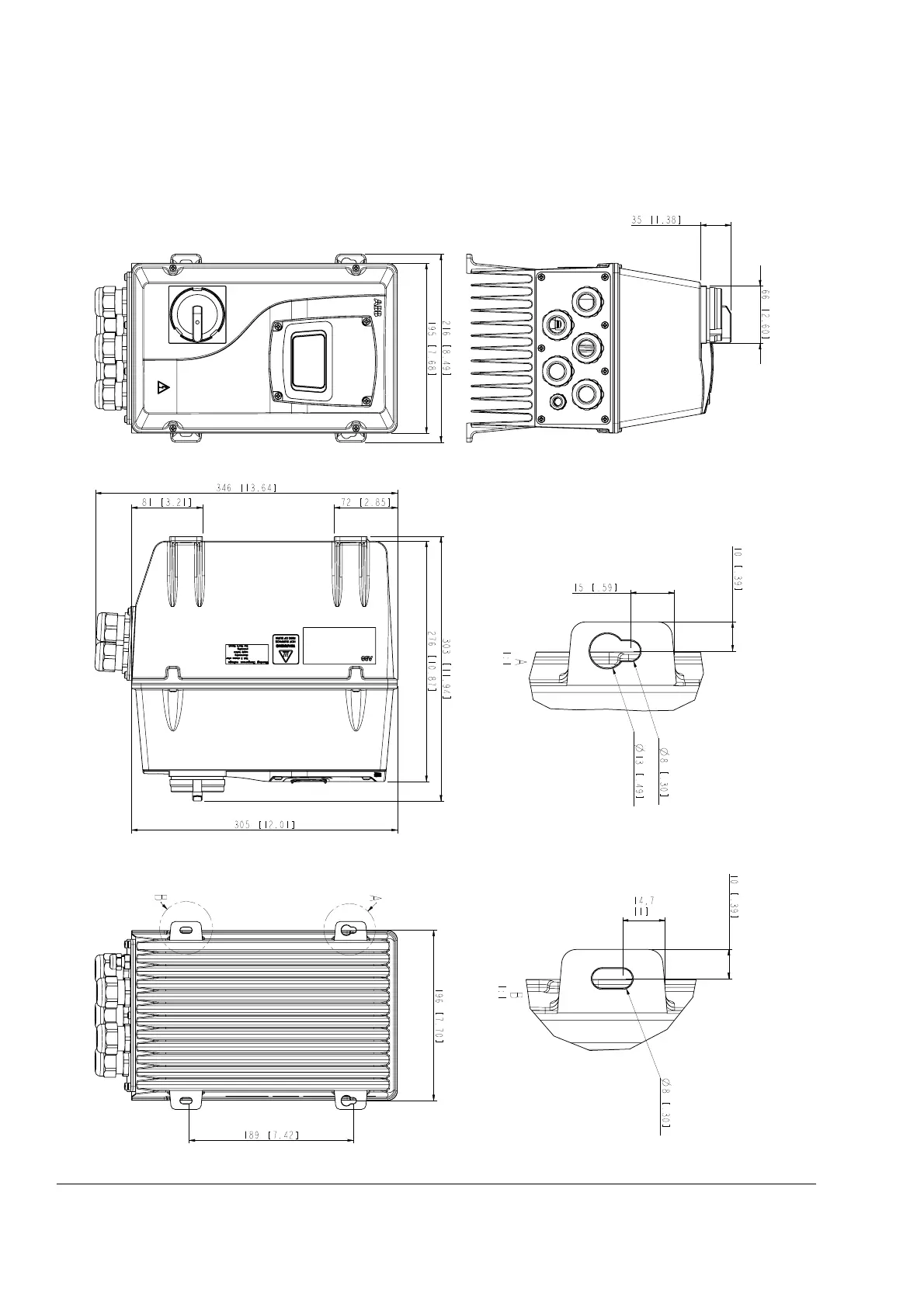
Dimensions
60
Frame size R1, IP66/67 UL Type 4X
3AUA0000050541
Buy: www.ValinOnline.com | Phone 844-385-3099 | Email: CustomerService@valin.com

Table of Contents

Other manuals for ABB ACS355 series

Related product manuals