EasyManua.ls Logo

ABB AMA - Page 34

ABB AMA
105 pages
Print Icon
To Next Page IconTo Next Page
To Next Page IconTo Next Page
To Previous Page IconTo Previous Page
To Previous Page IconTo Previous Page
Loading...
Manual for High Voltage Process Performance Motors
20 - Installation and Alignment
3BFP 000 063 R0101 REV D
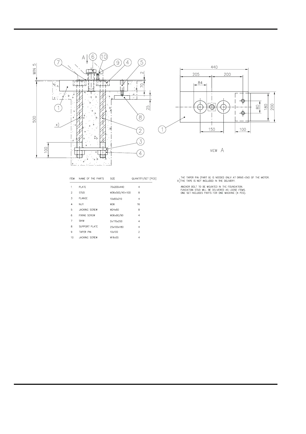
Figure 3-1 Typical foundation stud assembly
In order to assemble the foundation stud or sole plate set, the machine must be suspended above
the floor by a crane. Proceed as follows, see Figure 3-1 Typical foundation stud assembly:
Clean the parts protected by an anti-corrosive coating with white spirit
Screw the greased leveling screws into the foundation studs (part 5) or sole plates
Wrap a layer of tape around the upper part of the anchor bolts (part 2) according to Figure
3-1 Typical foundation stud assembly. The tape will prevent the upper part of the bolt from
being stuck in the concrete and enables it to be retightened after the concrete has set
Fit the anchor bolt (part 2) in the foundation plates (part 1) or sole plates so that the top of
the anchor bolts is 1...2 mm (40...80 mil) above the upper surface of the nuts (part 4)
Fit the anchor flange (part 3) and the lower nut (part 4) to the anchor bolts (part 2). Bridge
the anchor flange (part 3) to the bolts by welding and tighten the nuts. If the bridging
cannot be done, lock the anchor flange between two nuts
After the assembly of the foundation plates is done; the machine should be lifted up and
suspended above the floor. The machine feet, and the side and bottom surfaces of the
foundation plates as well as anchor bolts should be cleaned with white spirit

Table of Contents

Related product manuals