EasyManua.ls Logo

ABB IRB 4400 - Page 37

ABB IRB 4400
76 pages
Print Icon
To Next Page IconTo Next Page
To Next Page IconTo Next Page
To Previous Page IconTo Previous Page
To Previous Page IconTo Previous Page
Loading...
Technical specification
Product Specification IRB 4400 M98A/BaseWare OS 3.2 35
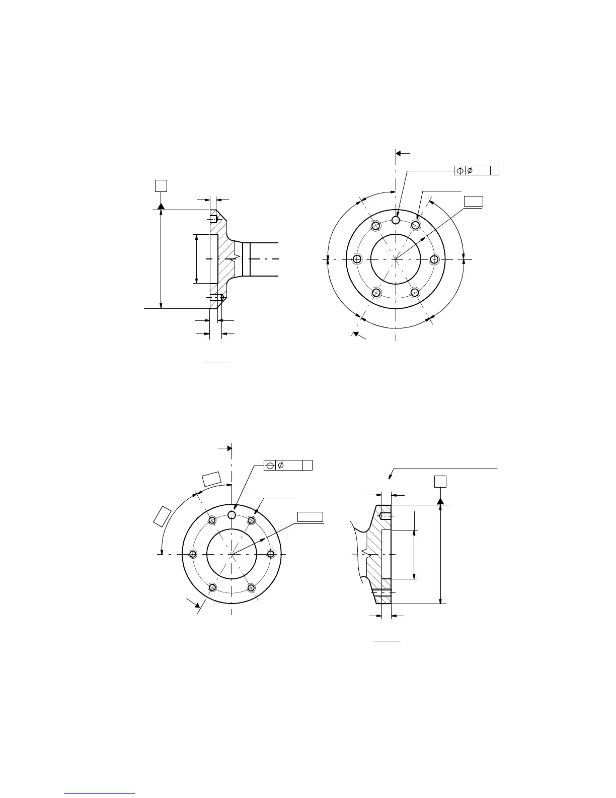
Figure 24 The mechanical interface, mounting flange (dimensions in mm).
Figure 25 The mechanical interface, mounting flange (dimensions in mm).
9
15
D=63
8
D=8
+0.015
-0
M10 (6x)
6
0
o
60
o
60
o
60
o
6
0
o
30
o
A - A
A
A
R50
0.05 A
D=125
0
-0.063
+0.045
0
A
IRB 4400/45
IRB 4400/60
IRB 4400FS
IRB 4400L/30
7
D=31,5
8
D=6
+0.012
-0
M6 (6x)
6
0
o
30
o
A - A
A
A
R=25
0.05 B
D=63
h8
B
5
x
H7
H8
IRB 4400L/10
The hole can go through
+0.039
-0
+0
-0.046

Related product manuals