EasyManua.ls Logo

ABB PLUTO Safety-PLC - Connection of Analogue Voltage Output Sensors (0-10 V); Analogue Inputs (0 - 27 V)

ABB PLUTO Safety-PLC
55 pages
Print Icon
To Next Page IconTo Next Page
To Next Page IconTo Next Page
To Previous Page IconTo Previous Page
To Previous Page IconTo Previous Page
Loading...
16 2TLC172001M0211_A
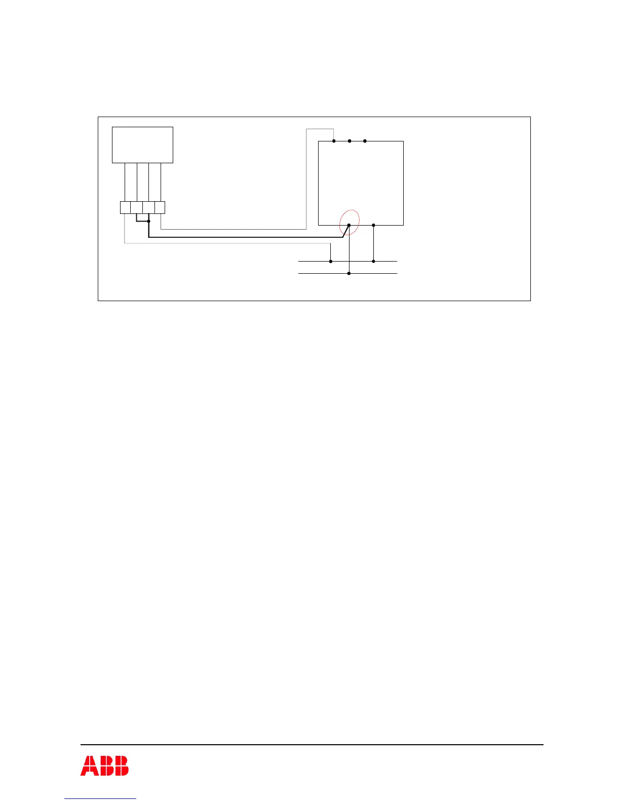
4.3.2.1 Connection of analogue voltage output sensors (0-10V)
It is important that the 0V wire from the analogue sensor is connected directly to the terminal
”0V” on Pluto, and not to 0V somewhere else. Otherwise current in the 0V conductor may affect
the measured analogue value.
When using long cables from the analogue sensor, a current output sensor is to be preferred
over a voltage output sensor since long cables may cause a voltage drop. A current loop (4-20
mA) is not affected by this.
4.3.3 Analogue inputs (0 27V)
Depending on type there are one or more analogue inputs. These inputs are connected to
terminals for digital inputs (example A20 – I5, B46 – I5, I6, I7). These analogue inputs are read
by both processors and can therefore be used for safety applications.
In the PLC program the value can be read in system registers. See Pluto Programming
Manual.
0V +24V
IA0
+24V
IA1 IA2..........
Pluto D20/D45
Sensor
Output
0V Signal
0V
+24V
0V
0..10V
0..10V
Sensor with 0-10V output. 0V supply to the sensor should be directly connected to Pluto 0V.

Table of Contents

Other manuals for ABB PLUTO Safety-PLC

Related product manuals