EasyManua.ls Logo

ABB ProcessMaster FEP610 - Electrical Data for Inputs and Outputs

ABB ProcessMaster FEP610
96 pages
Print Icon
To Next Page IconTo Next Page
To Next Page IconTo Next Page
To Previous Page IconTo Previous Page
To Previous Page IconTo Previous Page
Loading...
26 OI/FEP610/FEH610-EN Rev. B | ProcessMaster FEP610, HygienicMaster FEH610
5.5.6 Electrical data for inputs and outputs
Power supply L / N, 1+ / 2-
AC power supply
Terminals L / N
Operating voltage
100 … 240 V AC (-15 % / +10 %), 47 … 64 Hz
Power consumption
< 20 VA
Inrush current
8.8 A
DC voltage supply
Terminals 1+ / 2-
Operating voltage
24 ... 48V DC (-10 % / +10 %)
Ripple
< 5 %
Power consumption
< 10 W
Inrush current
5.6 A
Current output 31 / 32
Can be configured for outputting mass flow, volume flow.
Fig. 37: Connection example active current output 31 / 32
(I = internal, E = external, R
B
= load)
Current output Active
Terminals 31 / 32
Output signal 4 … 20 mA
Load R
B
0  ≤ RB ≤ 650 
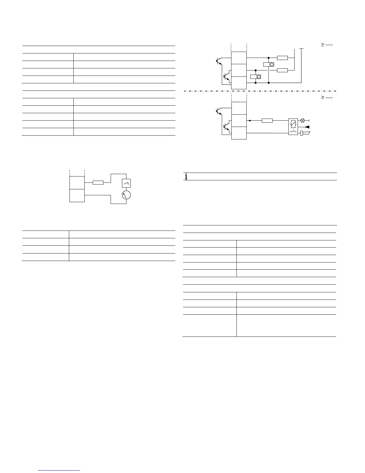
Digital output 41 / 42, 51 / 52
Can be configured as pulse, frequency or binary output.
Fig. 38: Connection example (I = internal, E = external, R
B
= load)
A Passive digital output 41 / 42, 51 / 52 as pulse or frequency output
B Passive digital output 51 / 52 as binary output
NOTE
Terminals 42 / 52 have the same ground potential.
Digital outputs 41 / 42 and 51 / 52 are not electrically
isolated from each other.
If you are using a mechanical counter, we recommend
setting a pulse width of ≥ 30 ms and a maximum
frequency of fmax ≤ 3 kHz.
Pulse / frequency output (passive)
Terminals 41 / 42, 51 / 52
U
max
30 V DC
I
max
25 mA
f
max
10.5 kHz
Pulse width 0.1 … 2000 ms
Binary output (passive)
Terminals 41 / 42, 51 / 52
U
max
30 V DC
I
max
25 mA
Switching function Can be configured using software as:
System alarm, empty pipe alarm, max. / min.
alarm, flow direction signaling, others
Change from two to one column
G12037
+31
-32
4 ... 20 mA
IE
R
B
G11597-01
A
R
B
16 ... 30 V
IE
-
51
42/52
+
41
R
B
R
B
51
42/52
41
IE
B
0 V
24 V DC
R
B
U
CE
I
CE
R
B
U
CE
I
CE

Table of Contents

Related product manuals