EasyManua.ls Logo

ABB REF542plus - Connection Example of the Ref542 Plus Analog Inputs

ABB REF542plus
80 pages
Print Icon
To Next Page IconTo Next Page
To Next Page IconTo Next Page
To Previous Page IconTo Previous Page
To Previous Page IconTo Previous Page
Loading...
REF 542plus switchbay protection and control unit
Manual Part 3: Installation and Commissioning
1VTA100004-en DMS,2001-10-04 REF542plus: Installation and Commissioning 24 / 80
Symbol Legend Symbol Legend
Resistor with one fixed tap-
ping
Fuse
Current transformer
Sensing element
Three-phase transformer
Current sensing element
Voltage transformer
Optical fibre cable
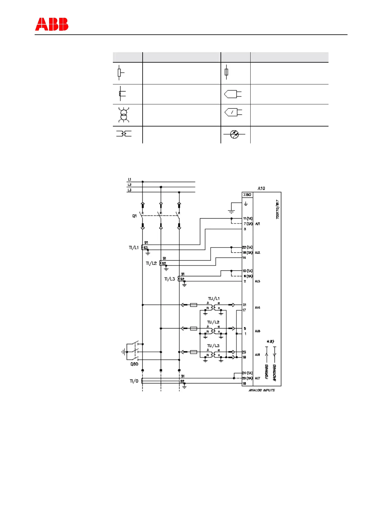
4.2.7 Connection Example of the REF542plus Analog Inputs
Figure 6: Example of connection diagram for incoming or outgoing bays with transformers

Table of Contents

Other manuals for ABB REF542plus

Related product manuals