EasyManua.ls Logo

ABB REF542plus - Page 26

ABB REF542plus
80 pages
Print Icon
To Next Page IconTo Next Page
To Next Page IconTo Next Page
To Previous Page IconTo Previous Page
To Previous Page IconTo Previous Page
Loading...
REF 542plus switchbay protection and control unit
Manual Part 3: Installation and Commissioning
1VTA100004-en DMS,2001-10-04 REF542plus: Installation and Commissioning 26 / 80
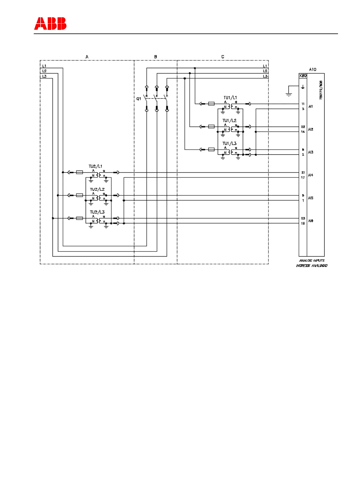
Figure 8: Example of connection diagram for bus-tie and measuring bays with transformers

Table of Contents

Other manuals for ABB REF542plus

Related product manuals