EasyManua.ls Logo

AccuTemp Evolution - Wiring Schematics; Schematics by Serial Number

AccuTemp Evolution
59 pages
Print Icon
To Next Page IconTo Next Page
To Next Page IconTo Next Page
To Previous Page IconTo Previous Page
To Previous Page IconTo Previous Page
Loading...
SP8026-1909
EVOLUTION ELECTRIC STEAMER
50
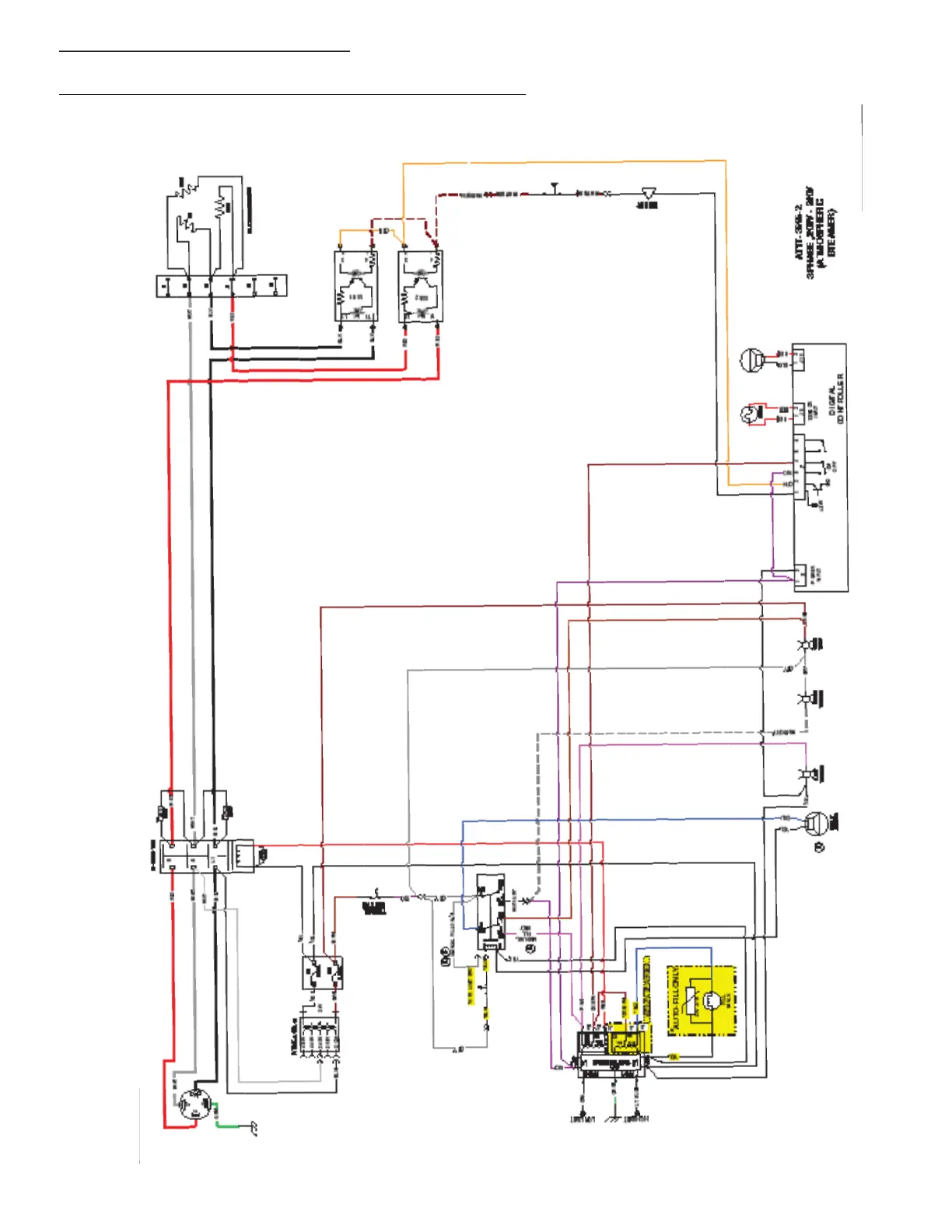
5.0 Wiring Schematics
5.1 Wiring Schematic for SN 36980 and Below
(Further voltage schematics are available - please call 800-480-0415)

Related product manuals