EasyManua.ls Logo

Acrosser Technology AR-B1479 - Dma Controller

Acrosser Technology AR-B1479
42 pages
Print Icon
To Next Page IconTo Next Page
To Next Page IconTo Next Page
To Previous Page IconTo Previous Page
To Previous Page IconTo Previous Page
Loading...
AR-B1479 Users Guide
11
2.6 DMA CONTROLLER
l DMA channel
l 2X8237/AT compatible 7-channel DMA controller.
l 2X8259/AT compatible interrupt Controller.
16 interrupt inputs ISA and PCI.
l Three 8254 compatible Timer/Counters.
l Co-processor error support logic.
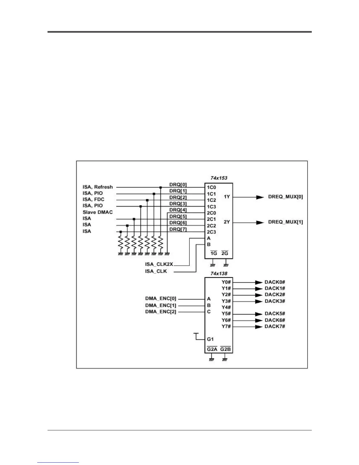
The figure below describes a complete implementation of the external glue logic for DMA Request time-
multiplexing and DMA Acknowledge demultiplexing. Like for the interrupt lines, this logic can be simplified when
only few DMA channels are used in the application. This glue logic is not needed in Local bus mode and it does not
support DMA transfers.
Typical DMA multiplexing and demultiplexing

Table of Contents

Other manuals for Acrosser Technology AR-B1479

Related product manuals