EasyManua.ls Logo

ACT ACT1000 - ACT2000 Standalone Configuration

ACT ACT1000
35 pages
Print Icon
To Next Page IconTo Next Page
To Next Page IconTo Next Page
To Previous Page IconTo Previous Page
To Previous Page IconTo Previous Page
Loading...
ACT1000/2000 Operating Instructions Software Version 4.00-00
21
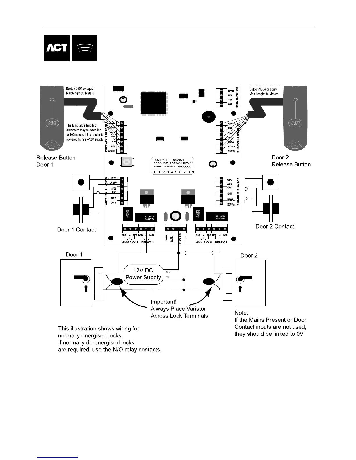
Typical ACT2000 Configuration
(Standalone)

Table of Contents

Related product manuals