EasyManua.ls Logo

Advantech PCIE-1816 - Analog Input Connections

Advantech PCIE-1816
62 pages
Print Icon
To Next Page IconTo Next Page
To Next Page IconTo Next Page
To Previous Page IconTo Previous Page
To Previous Page IconTo Previous Page
Loading...
19 PCIE-1816_1816H User Manual
Chapter 3 Signal Connections
3.3.2 Analog Input Connections
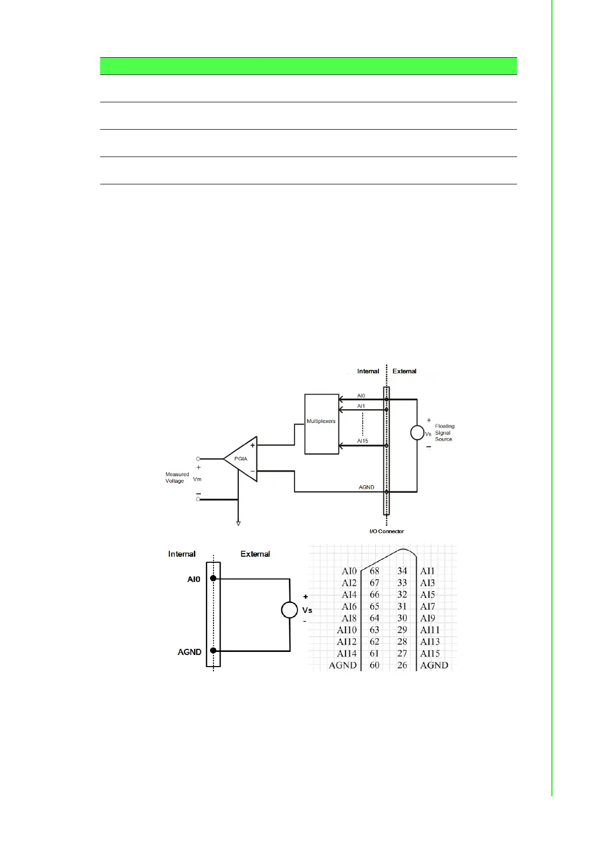
PCIE-1816/1816H supports either 16 single-ended or 8 differential analog inputs.
Single-ended Channel Connections
The single-ended input configuration has only one signal wire for each channel, and
the measured voltage (Vm) is the voltage of the wire as referenced against the com-
mon ground.
A signal source without a local ground is also called a “floating source”. It is fairly sim-
ple to connect a single-ended channel to a floating signal source. In this mode, the
PCIE-1816/1816H provides a reference ground for external floating signal sources.
Figure 3-3 shows a single-ended channel connection between a floating signal
source and an input channel.
Figure 3.3 Single-ended input channel connections
When to Use Single-ended Channel Connections
Single-ended connections are only used for the following conditions:
All input signals that can share a common reference point, AGND.
The wire connecting the signal to the device are less than 3 m.
CNT0_OUT
CNT1_OUT
DGND Output Counter 0/1 Output.
CNT0_GATE
CNT1_GATE
DGND Input Counter 0/1 Gate Control.
+12V DGND Output +12V DC Source. This pin is +12V DC power
supply for external use. (0.1A maximum)
+5V DGND Output +5V DC Source. This pin is +5V DC power sup-
ply for external use. (0.3A maximum)
Table 3.4: I/O Connector Signal Descriptions

Related product manuals