EasyManua.ls Logo

Advantech PCIE-1816 - Digital Signal Connections

Advantech PCIE-1816
62 pages
Print Icon
To Next Page IconTo Next Page
To Next Page IconTo Next Page
To Previous Page IconTo Previous Page
To Previous Page IconTo Previous Page
Loading...
27 PCIE-1816_1816H User Manual
Chapter 3 Signal Connections
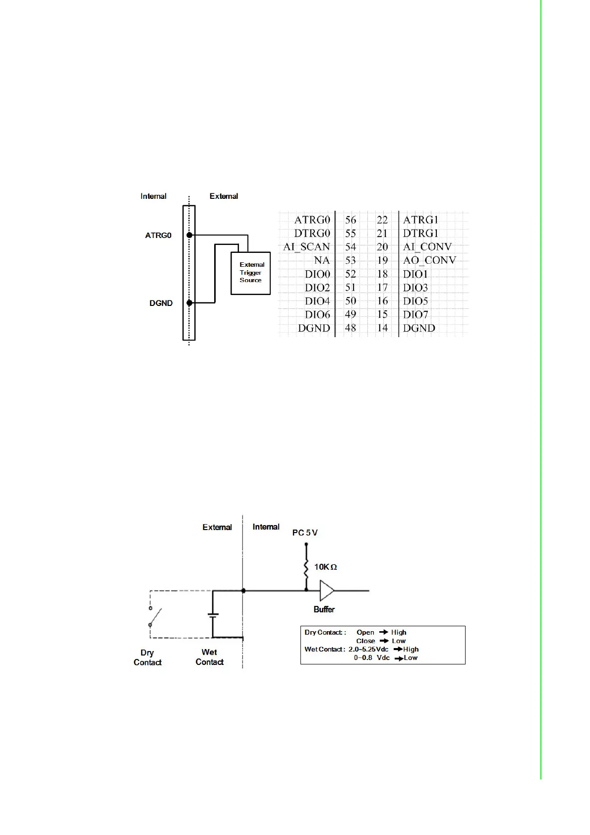
Analog Threshold Trigger
For analog input operations, an analog trigger event occurs when the PCIE-1816/
1816H detects a transition from above a threshold level to below a threshold level
(falling edge), or a transition from below a threshold level to above a threshold level
(rising edge). User should connect analog signals from external device or analog out-
put channel on board to external input signal ATRG0 and ATRG1. On the PCIE-
1816H, the threshold level is set using a dedicated 16-bit DAC. By software, you can
program the threshold level by writing a voltage value to this DAC; this value can
range from -10V to +10V.
Figure 3.12 External Analog Trigger Source Connection
3.3.3 Digital Signal Connections
The PCIE-1816/1816H has 24 digital input/output channels and they can be config-
ured as input or output channels. The digital I/O levels are TTL compatible.
Digital Input Connections
Each digital input channel accepts either dry contact or 0 ~ 5 V
DC
wet contact inputs.
Dry contact capability allows the channel to respond to change in external circuit
when no voltage is existed.
Figure 3.13 Wet and Dry contacts

Related product manuals