EasyManua.ls Logo

Advantech PCIE-1816 - Analog Input Operation; AI Hardware Structure

Advantech PCIE-1816
62 pages
Print Icon
To Next Page IconTo Next Page
To Next Page IconTo Next Page
To Previous Page IconTo Previous Page
To Previous Page IconTo Previous Page
Loading...
PCIE-1816_1816H User Manual 38
B.1 Analog Input Operation
This section describes the following features of analog input that can help you realize
how to configure the functions and parameters to match various applications.
AI Hardware Structure
Analog input ranges and gains
Analog data acquisition mechanism
Analog input acquisition modes
AI SCAN/CONV clock source
AI trigger sources
Analog input data format
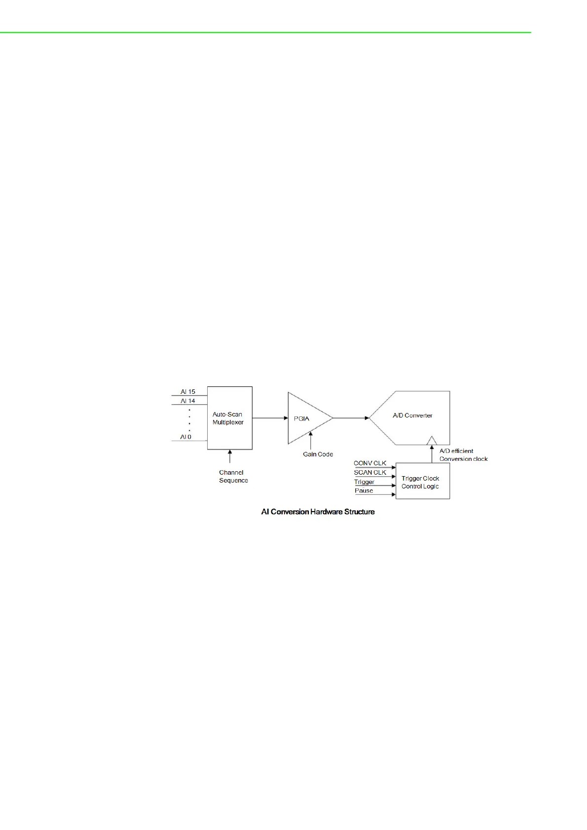
B.1.1 AI Hardware Structure
The AI conversion hardware structure includes four major parts:
Auto-scan multiplexer routes the analog input signals into AI converter chan-
nel by channel in a software-defined sequence.
PGIA (Programmable Gain Instrument Amplifier) rectifies the input range and
amplify/alleviate input signal to match the input range of A/ D converter.
AI converter conceives the rectified voltage from PGIA and transfers it into the
corresponding digital data format.
Trigger/Clock control logic enables/disables the whole process and deter-
mines acquisition timing interval.

Related product manuals