EasyManua.ls Logo

AES 7788F - Zone Input and EOL Resistance Notes; 3.6.3 Notes on E.O.L. Resistance; 3.6.4 Wiring Zone Inputs 1 thru 8 for EOL Operation (Supervised)

AES 7788F
43 pages
Print Icon
To Next Page IconTo Next Page
To Next Page IconTo Next Page
To Previous Page IconTo Previous Page
To Previous Page IconTo Previous Page
Loading...
AES 7788 Series RF Subscriber Unit Installation and Operation Manual
AES Corporation 23 40-7788, Rev 6, August 30, 2016
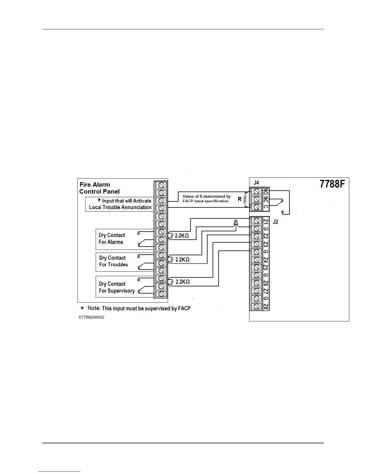
Notes on E.O.L. Resistance
Maximum resistance of E.O.L. input including wire and EOL resistor is 2400 Ohms.
Thus, when using the 2.2K-Ohm resister supplied, wire resistance must not exceed
200 Ohms.
Wiring Zone Inputs 1 thru 8 for EOL Operation (Supervised)
Zones 1 through 8 are wired for EOL operation by using a 2.2 K Ohm resistance in
the wiring circuit to the zone for normal condition. Short the resistor to cause an
alarm condition on zones programmed for “F”. Open the circuit to cause a trouble
condition. Either short the resistor or open the circuit to cause an alarm condition on
zones programmed for “S”. Wiring example with suggested programming follows:
The primary use of S programming simply disables the reporting of a Trouble
message on an open circuit. S or Supervised is not related to Zone usage such as to
report a Supervisory event.
The connections illustrated here are the minimum required for a UL Listed Fire
installation.
Note: J4 Trouble output: This output is required for local annunciation of a trouble
condition that exists on the 7788F including communication failure. The FACP
should not activate its own Trouble Relay upon this activation as that may add to the
RF traffic problem being reported by the J4 activation in the first place. The FACP
could use an alternate method of communication to report the fault, if one exists. One
alternate method is to activate some other local annunciator.

Table of Contents