EasyManua.ls Logo

AES 7788F - Zone Input to Voltage Output Wiring; 3.6.6 Wiring Zone Inputs 1 thru 8 to Voltage outputs (Supervised)

AES 7788F
43 pages
Print Icon
To Next Page IconTo Next Page
To Next Page IconTo Next Page
To Previous Page IconTo Previous Page
To Previous Page IconTo Previous Page
Loading...
AES 7788 Series RF Subscriber Unit ─ Installation and Operation Manual
AES Corporation 24 40-7788, Rev 6, August 30, 2016
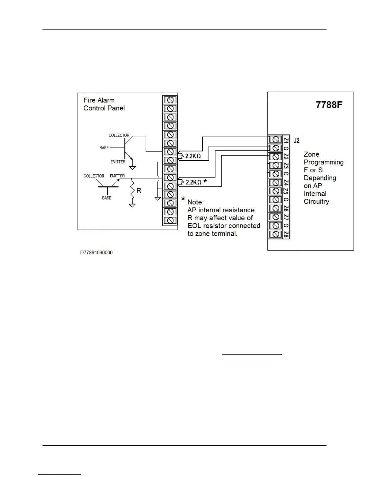
Wiring Zone Inputs 1 thru 8 to Voltage outputs (Supervised)
(NOT APPROVED FOR USE IN UL or FIRE ALARM INSTALLATIONS)
It may be possible with some panels to wire Zones 1 through 8 can such that they are
controlled by electronic outputs. These include open collector and emitter follower
types as well as other voltage outputs.
Wiring examples:
Wiring Open Collector and Positive Voltage Trigger Outputs
The wiring example illustrates several possible wiring models. Those illustrated
assume that the load provided by the AP output does not change or affect the standard
2.2K resistance used as the EOL. The value of the EOL resistor may have to be
adjusted to compensate for any load the panel output adds.
Select Resistor to provide a 2200 Ohm load on the input of the 7788F keeping in mind
that circuitry in the alarm panel may have to be considered.
For more details, see the Dealer Support website at www.aes-intellinet.com

Table of Contents