EasyManua.ls Logo

Airspan ProST - Connecting SDA-4 S to AC Power

Airspan ProST
78 pages
Print Icon
To Next Page IconTo Next Page
To Next Page IconTo Next Page
To Previous Page IconTo Previous Page
To Previous Page IconTo Previous Page
Loading...
605-0000-706 ProST Installation User Guide-Rev I
52
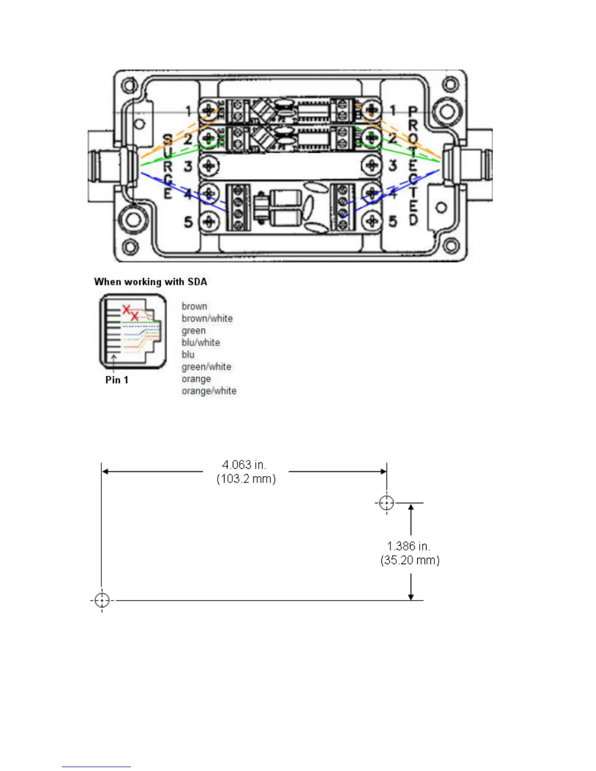
5. Mount and ground the protector outdoors with the provided 2 x 8-32 screws according to
the fixing template illustrated below (showing distances between centers of the two
mounting holes). The unit may be mounted/grounded on a nearby plate or bulkhead panel
that is bonded to an earth-ground system.
6. Attach the protector's lid by using the four M4 x 20-mm screws. Ensure that the neoprene
gasket on the lid is not loose or out of the groove.
7. Secure the CAT 5e cable to the grommet by fastening the gland nut.
Lightning and Surge Protection Connection Scenarios
The figures below illustrate various lightning and surge protector connectivity scenarios.

Other manuals for Airspan ProST