EasyManua.ls Logo

Allied 4DHV Mini-Split Series - Wiring Diagrams; 208;230 VAC Outdoor Unit Wiring Diagrams

Allied 4DHV Mini-Split Series
75 pages
Print Icon
To Next Page IconTo Next Page
To Next Page IconTo Next Page
To Previous Page IconTo Previous Page
To Previous Page IconTo Previous Page
Loading...
508067-01 Issue 2016 Page 25 of 75
4-WAY VALVE
OU TDOOR
FA N
CN 7
3
PAN
HEATER
CN 15
CN 60
CRANKCASE
HEATER
CN 17
BLUE
BROWN
BLACK
3
2
L2
RED
BLUE
Y/G
1
Y/G
CN 21
Y/G
CN 1A
Y/G
Y/G
COMPRESSOR
Y/G
CN 50
3
U
V
W
BLUE
RED
BLACK
OUTDOOR
TEMP. SENSOR
COMPRESSOR
DISCHARGE
TEMP. SENSOR
OUTDOOR COIL
TEMP. SENSOR
RED
BLACK
WHTIE
OUTDOOR CONTROL
T5
T3
T4
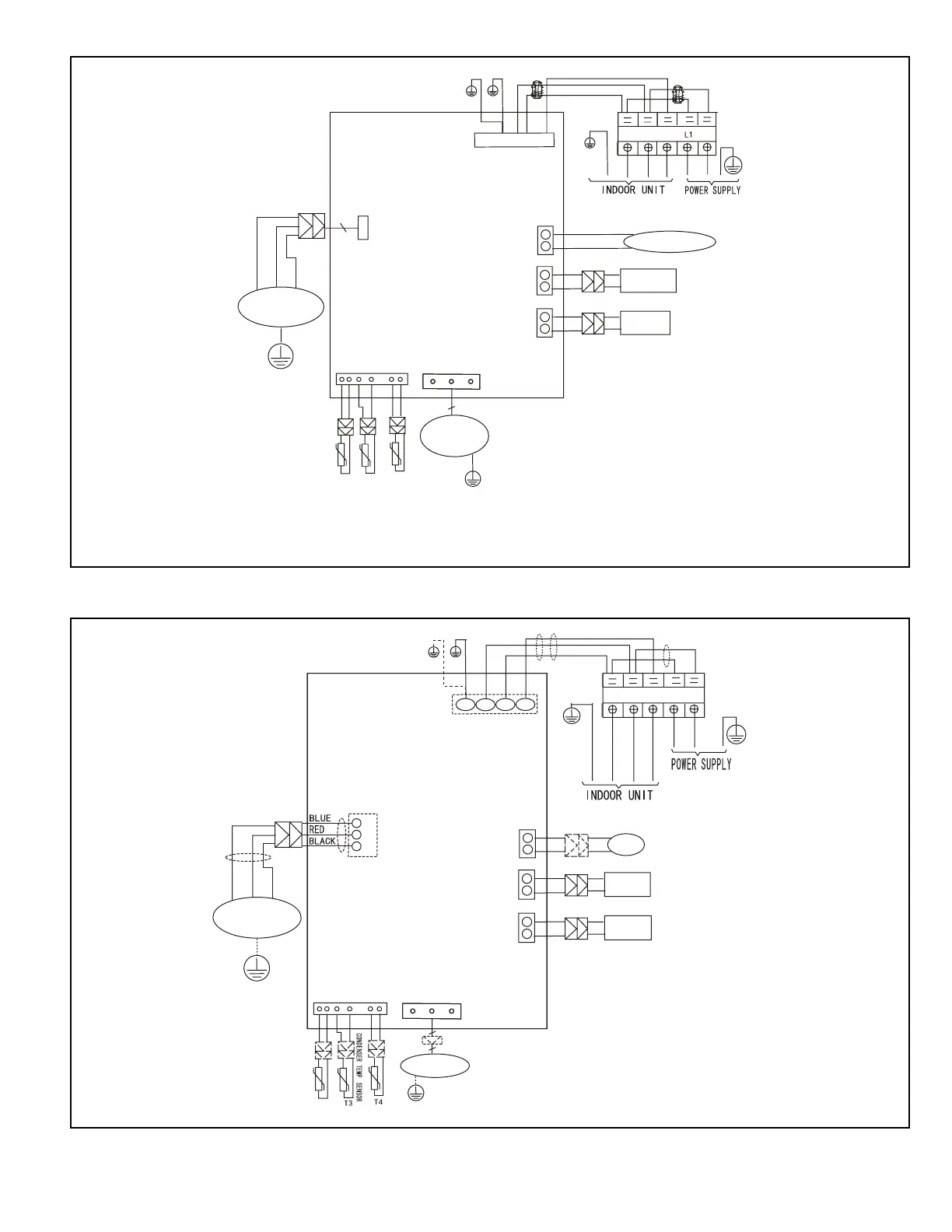
Figure 10. 09K, 12K and 18K - 208/230VAC Outdoor Unit Wiring Diagram
4-WAY
DC- FAN
CN 414
3
PAN
HEATER
CN 19
CN 60
CRANKCASE
HEATER
CN 16
AMBIENT TEMP. SENSOR
DISCHARGE TEMP. SENSOR
CN 17
.
Y/G
BLUE
BROWN 1
BLACK 3
3
2
L1
L2
RED
BLUE L2
1
Y/G
Y/G
CN 3
Y/G
Y/G
COMPRESSOR
Y/G
U
V
W
BLUE
RED
BLACK
L1
L2
S
White
Red
Blue
CN 6
CN 7
CN 8 CN 2
CN 21
W
V
U
OUTDOOR CONTROL
TP/
T5
Figure 11. 24K - 208/230VAC Outdoor Unit Wiring Diagram

Related product manuals