EasyManua.ls Logo

Alpine HDA-M80 - Page 149

Alpine HDA-M80
180 pages
Print Icon
To Next Page IconTo Next Page
To Next Page IconTo Next Page
To Previous Page IconTo Previous Page
To Previous Page IconTo Previous Page
Loading...
ALPINE HDA-M80/HDA-F60/HDA-V90 68-44781Z25-A (EN/DE/FR/ES/IT/SE/RU/CS)ALPINE HDA-M80/HDA-F60/HDA-V90 68-44781Z25-A (EN/DE/FR/ES/IT/SE/RU/CS)
15-RU
EN
ES
DE
IT
RU
FR
SE
CS
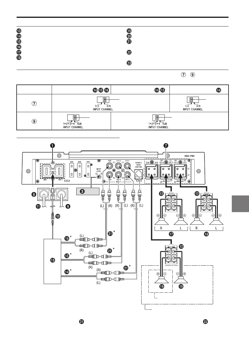
Система из 2 динамиков и 1 сабвуфера (мостовые соединения)
См. раздел “Система из 4 динамиков”тр. 13).
Система из 2 динамиков (мостовые соединения)
См. раздел “Система из 4 динамиков”тр. 13).
Базовая схема соединений для HDA-V90
Главный блок и др.
Передний выход
Задний выход
Выход сабвуфера
Передние динамики
Задний динамик
Сабвуфер
Сабвуфер с двойной звуковой катушкой
Удлинительный кабель RCA (приобретается
дополнительно)
Кабель-переходник динамик-RCA
(приобретается дополнительно)
Y-адаптер (приобретается дополнительно)
Для устройства HDA-V90 измените настройку переключателя входного канала ( )/( ) в соответствии
с количеством каналов входа динамика.
5-канальный вход: 4-канальный вход: 2-канальный вход:
[3/4] [1/2]
[SUB]
[1+2+3+4]
Система из 4 динамиков и сабвуфера
Система из 1 сабвуфера
[LO]
Система из 2 сабвуферов (MONO)
* Если на подключенном главном блоке отсутствуют выход динамиков и невозможно использовать
удлинительные кабели RCA ( ), можно использовать кабель-переходник динамик-RCA ( )
(приобретается дополнительно). Подробнее о выполнении подключения см. в разделе “О
подключении к схеме подключения уровня динамиков”тр. 17).

Related product manuals