EasyManua.ls Logo

Alpine HDA-M80 - Page 171

Alpine HDA-M80
180 pages
Print Icon
To Next Page IconTo Next Page
To Next Page IconTo Next Page
To Previous Page IconTo Previous Page
To Previous Page IconTo Previous Page
Loading...
ALPINE HDA-M80/HDA-F60/HDA-V90 68-44781Z25-A (EN/DE/FR/ES/IT/SE/RU/CS)ALPINE HDA-M80/HDA-F60/HDA-V90 68-44781Z25-A (EN/DE/FR/ES/IT/SE/RU/CS)
15-CS
EN
ES
DE
IT
RU
FR
SE
CS
2扬声器 + 1超低频扬声器系统(桥接连接)
请参阅“4扬声器系统”(第13页)。
2扬声器系统(桥接连接)
请参阅“4扬声器系统”(第13页)。
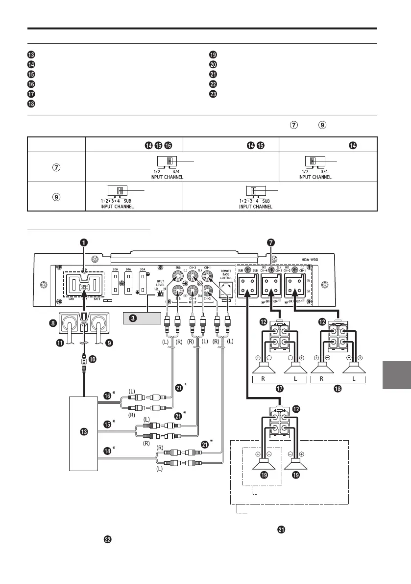
HDA-V90的基本连接图
主机等
前端输出
后端输出
超低频扬声器输出
前置扬声器
后置扬声器
超低频扬声器
双音圈超低频扬声器
RCA延长电缆(另售)
扬声器-RCA转换电缆(另售)
Y形适配器(另售)
对于HDA-V90,根据扬声器输入的声道数更改输入声道选择器开关( / )设置。
5声道输入: 4声道输入: 2声道输入:
[3/4] [1/2]
[SUB]
[1+2+3+4]
4扬声器 + 超低频扬声器系统
1超低频扬声器系统
[LO]
2超低频扬声器系统(MONO
* 如果连接的主机没有扬声器输出,并且无法使用RCA延长电缆(
),则可以使用扬声
-RCA转换电缆(
)(另售)。有关如何建立连接的详细信息,请参阅“关于连接到扬
声器输入电平系统”(第17页)。

Related product manuals