EasyManua.ls Logo

Alpine HDA-M80 - Page 39

Alpine HDA-M80
180 pages
Print Icon
To Next Page IconTo Next Page
To Next Page IconTo Next Page
To Previous Page IconTo Previous Page
To Previous Page IconTo Previous Page
Loading...
ALPINE HDA-M80/HDA-F60/HDA-V90 68-44781Z25-A (EN/DE/FR/ES/IT/SE/RU/CS)ALPINE HDA-M80/HDA-F60/HDA-V90 68-44781Z25-A (EN/DE/FR/ES/IT/SE/RU/CS)
15-DE
EN
ES
DE
IT
RU
FR
SE
CS
System mit 2 Lautsprechern + 1 Subwoofer (gebrückte Anschlüsse)
Siehe „System mit 4 Lautsprechern“ (Seite 13).
System mit 2 Lautsprechern (gebrückte Anschlüsse)
Siehe „System mit 4 Lautsprechern“ (Seite 13).
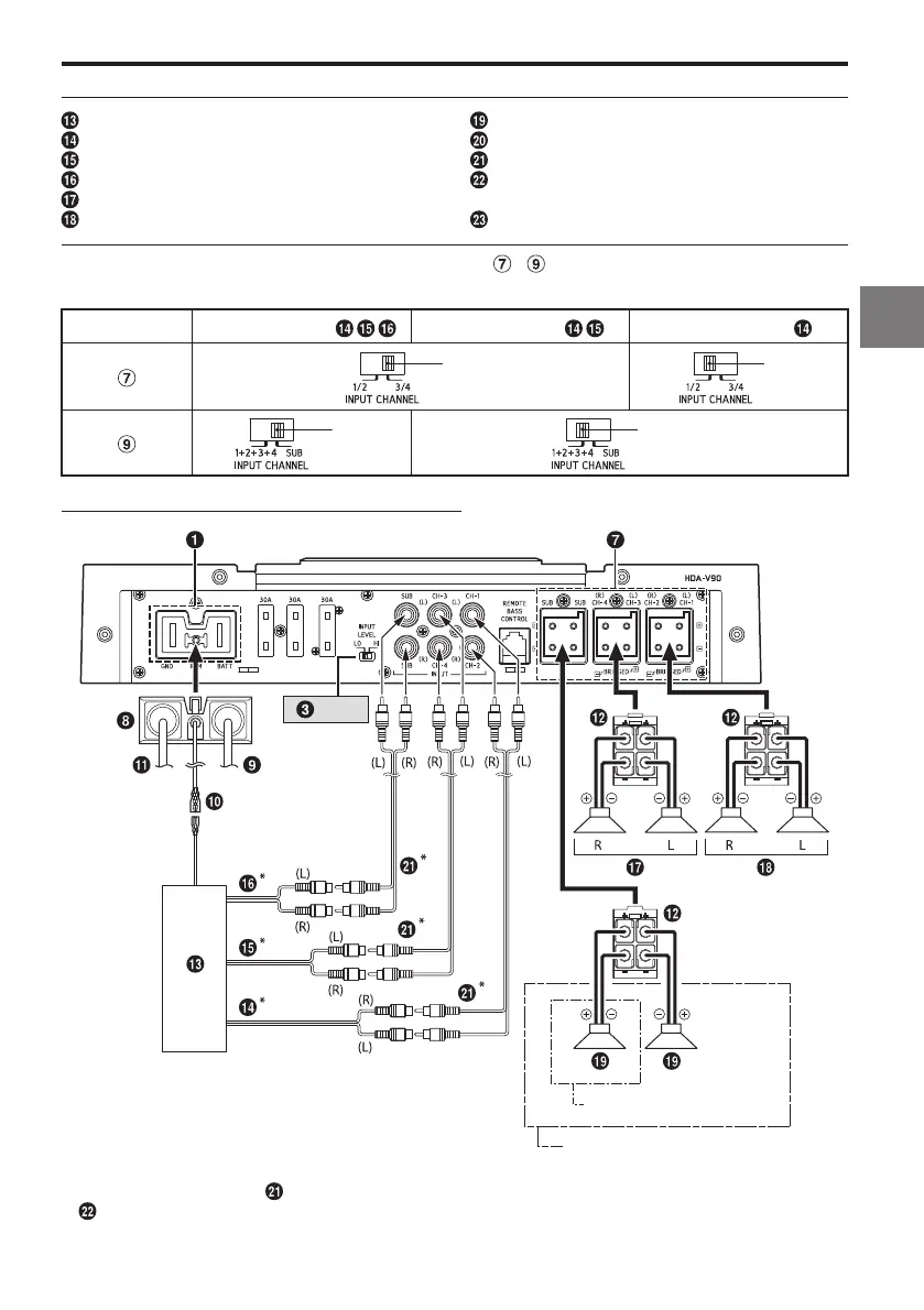
Grundlegendes Anschlussdiagramm für den HDA-V90
Hauptgerät usw.
Ausgang vorne
Ausgang hinten
Subwooferausgang
Frontlautsprecher
Hecklautsprecher
Subwoofer
Subwoofer mit Doppelschwingspule
RCA-Verlängerungskabel (separat erhältlich)
RCA-Lautsprecheradapterkabel (separat
erhältlich)
Y-Adapter (separat erhältlich)
Stellen Sie beim HDA-V90 den Eingangskanalwählschalter ( )/( ) je nach der Anzahl der Kanäle am
Lautsprechereingang ein.
5-Kanal-Eingang: 4-Kanal-Eingang: 2-Kanal-Eingang:
[3/4] [1/2]
[SUB]
[1+2+3+4]
System mit 4 Lautsprechern + Subwoofer
1-Subwoofer-System
[LO]
2-Subwoofer-System (MONO)
* Wenn das angeschlossene Hauptgerät nicht über einen Lautsprecherausgang verfügt und keine
RCA-Verlängerungskabel ( ) verwendet werden können, können Sie das RCA-Lautsprecheradapterkabel
( ) (separat erhältlich) verwenden. Einzelheiten zum Vornehmen von Anschlüssen finden Sie unter
„Hinweis zum Anschluss an das System mit Lautsprechereingangspegel“ (Seite 17).

Related product manuals