EasyManua.ls Logo

Alpine HDA-M80 - Page 83

Alpine HDA-M80
180 pages
Print Icon
To Next Page IconTo Next Page
To Next Page IconTo Next Page
To Previous Page IconTo Previous Page
To Previous Page IconTo Previous Page
Loading...
ALPINE HDA-M80/HDA-F60/HDA-V90 68-44781Z25-A (EN/DE/FR/ES/IT/SE/RU/CS)ALPINE HDA-M80/HDA-F60/HDA-V90 68-44781Z25-A (EN/DE/FR/ES/IT/SE/RU/CS)
15-ES
EN
ES
DE
IT
RU
FR
SE
CS
Sistema de 2 altavoces + 1 subwoofer (conexiones en puente)
Consulte “4 Sistema de altavoces (página 13).
Sistema de 2 altavoces (conexiones en puente)
Consulte “4 Sistema de altavoces (página 13).
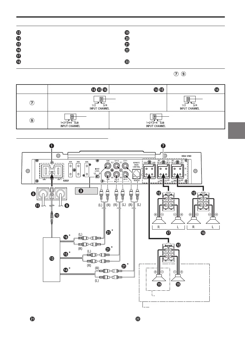
Diagrama básico de conexiones del HDA-V90
Unidad principal, etc.
Salida delantera
Salida trasera
Salida del subwoofer
Altavoces delanteros
Altavoz trasero
Subwoofer
Subwoofer de doble bobina de voz
Cable prolongador RCA (se vende por separado)
Cable de conversión altavoz-RCA (se vende por
separado)
Adaptador en forma de Y” (se vende por separado)
En el HDA-V90, cambie el ajuste del interruptor de selección de canal de entrada ( )( ) en función del
número de canales de la entrada del altavoz.
Entrada de 5 canales: Entrada de 4 canales: Entrada de 2 canales:
[3/4] [1/2]
[SUB]
[1+2+3+4]
Sistema de 4 altavoces + subwoofer
1 Sistema de subwoofer
[LO]
2 Sistema de subwoofer (MONO)
* Si la unidad principal conectada no tiene salida de altavoces y no es posible utilizar cables prolongadores
RCA ( ), puede utilizar el cable de conversión altavoz-RCA ( ) (se vende por separado). Para obtener
más información sobre la conexión, consulte la sección Acerca de la conexión al sistema de nivel de
entrada de altavoz” (página 17).

Related product manuals