EasyManua.ls Logo

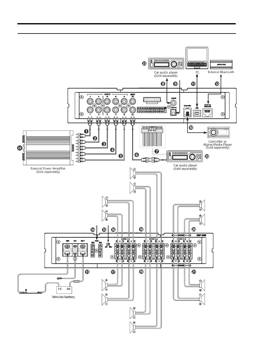
Alpine HDP-D90 - Connections and Functions

Alpine HDP-D90
37 pages
Print Icon
To Next Page IconTo Next Page
To Next Page IconTo Next Page
To Previous Page IconTo Previous Page
To Previous Page IconTo Previous Page
Loading...
5
EN
Connections and Functions

Related product manuals