EasyManua.ls Logo

Alpine UTX-M06 - Diagram of Steering Wheel Controller Connection

Alpine UTX-M06
33 pages
Print Icon
To Next Page IconTo Next Page
To Next Page IconTo Next Page
To Previous Page IconTo Previous Page
To Previous Page IconTo Previous Page
Loading...
7
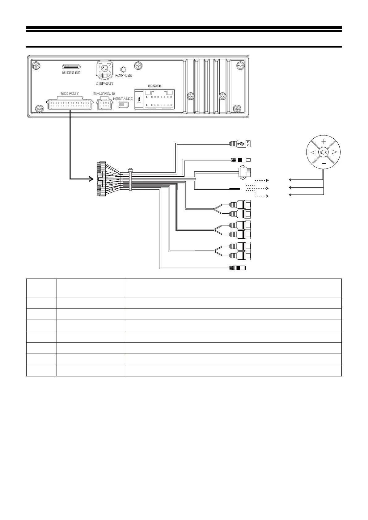
Diagram of steering wheel controller connection
1
Type of steering wheel
controller
Adjust the pull-up strength according to the various types of steering wheel
controllers to adapt to the steering wheel controller of different vehicle models.
2
Play/Pause
Select "Play/Pause", short press it to complete learning.
3
Previous track
Select "Previous track", short press it to complete learning.
4
Next track
Select "Next track", short press it to complete learning.
5
Volume+
Select "Volume+", short press it to complete learning.
6
Volume-
Select "Volume-", short press it to complete learning.
7
Mute
Select "Mute", short press it to complete learning.
8
Audio source
Select "Audio source", short press it to complete learning.
*Connect the green and white wires with the button wires of the steering wheel and connect the black wire
with the grounding wire. Please connect the wires based on the actual vehicle model. For details, please
contact your Alpine dealer.
Button wire
Button wire
Grounding
wire
Green
White
Black

Related product manuals