EasyManua.ls Logo

Amco Veba 804 - Page 143

Default Icon
171 pages
Print Icon
To Next Page IconTo Next Page
To Next Page IconTo Next Page
To Previous Page IconTo Previous Page
To Previous Page IconTo Previous Page
Loading...
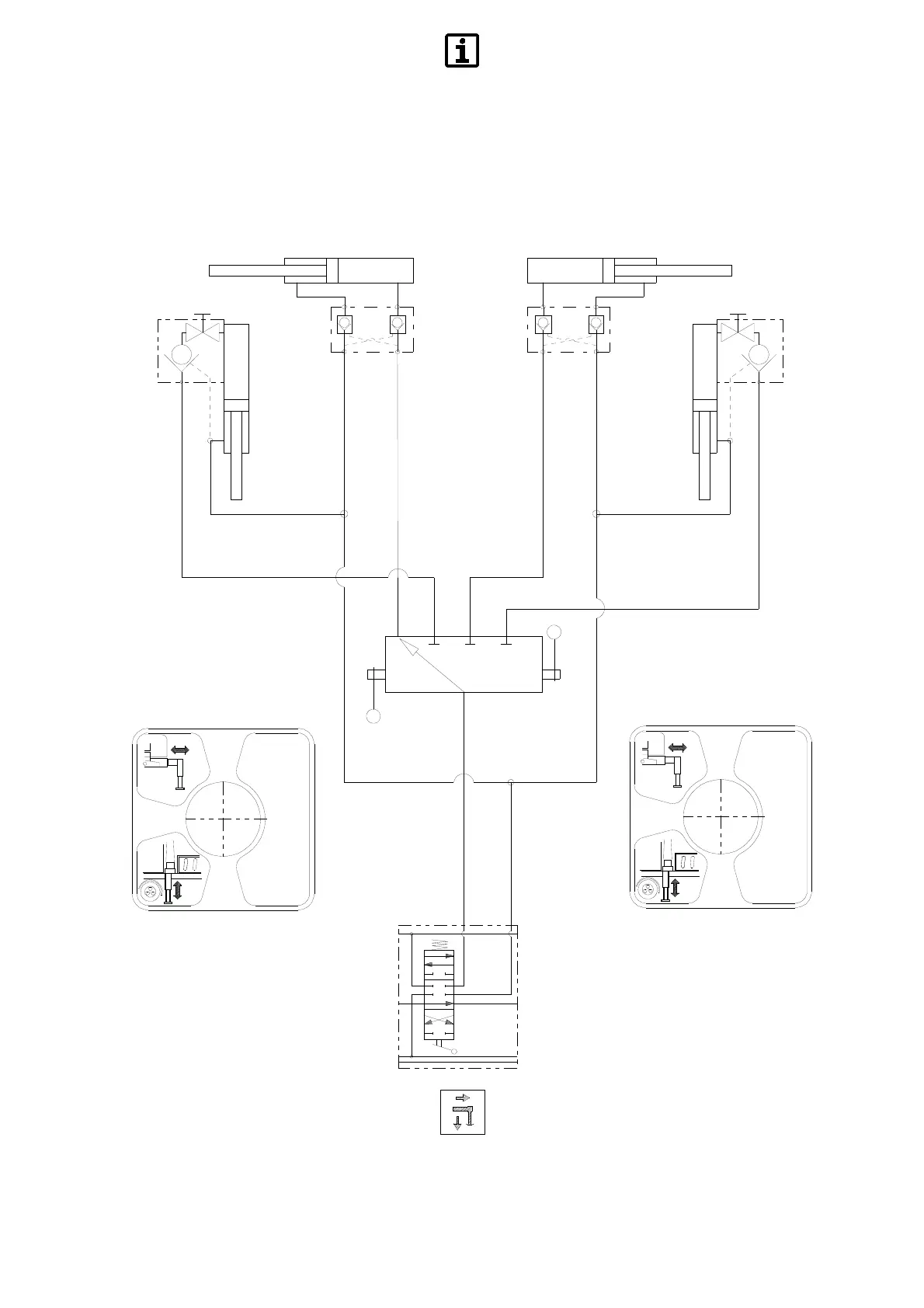
D-19
STABILIZZATORI
AA NO-CE
[1.04.0015]
STABILIZERS
AA NO-EC
[1.04.0015]
804 - 805
ABSTÜTZUNGEN
AA NICHT-EG
[1.04.0015]
ABCD
P
OFF
OFF
OFF
A
B
OFF
OFF
OFF
C
D
A
B

Table of Contents

Related product manuals