EasyManua.ls Logo

Amco Veba 804 - Componenti Principali; Main Components

Default Icon
171 pages
Print Icon
To Next Page IconTo Next Page
To Next Page IconTo Next Page
To Previous Page IconTo Previous Page
To Previous Page IconTo Previous Page
Loading...
B-7
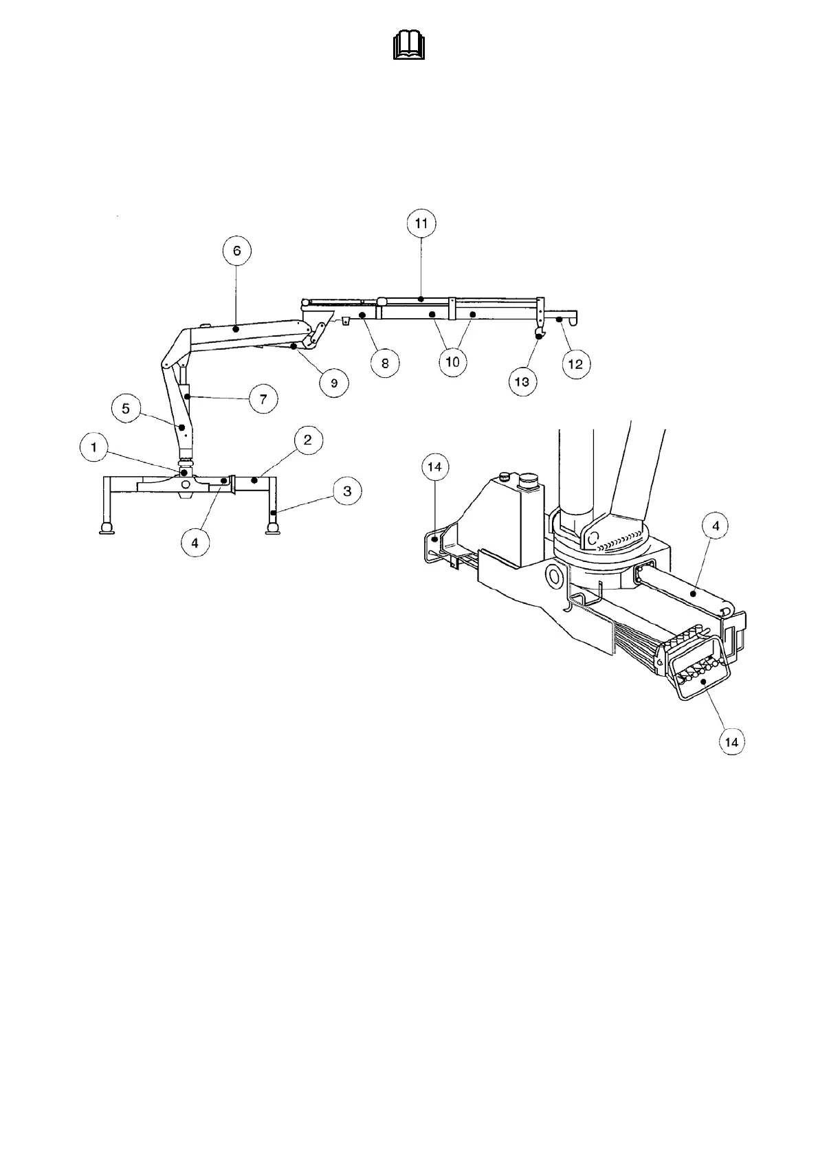
B.3.4 COMPONENTI
PRINCIPALI
Si elencano di seguito i componenti
principali della gru, così come indicati
nella norma EN 12999:
1) Basamento
2) Asta stabilizzatore
3) Cilindro stabilizzatore
4) Cilindro rotazione
5) Colonna
6) 1° braccio
7) Cilindro 1° braccio
(cilindro sollevamento)
8) 2° braccio
9) Cilindro 2° braccio
(cilindro articolazione)
10) Sfili idraulici
11) Cilindri estensione telescopica
12) Estensione manuale
13) Gancio
14) Comandi
B.3.4 MAIN COMPONENTS
A list of the main crane components is
given below in accordance with
EN 12999:
1) Base
2) Stabiliser rod
3) Stabiliser cylinder
4) Rotation cylinder
5) Column
6) 1st boom
7) 1st boom cylinder
(lifting cylinder)
8) 2nd boom
9) 2nd boom cylinder
(joint cylinder)
10) Hydraulic telescopic components
11) Telescopic action cylinder
12) Manual extension
13) Hook
14) Controls
B.3.4 HAUPTKOMPONENTEN
Nachstehend werden die Hauptkompo-
nenten des Krans aufgezählt, wie in
EN 12999 vorgeschrieben:
1) Kransockel
2) Abstützstange
3) Abstützzylinder
4) Drehzylinder
5) Säule
6) 1. Ausleger
7) Zylinder 1. Ausleger
(Hubzylinder)
8) 2. Ausleger
9) Zylinder 2. Ausleger
(Gelenkzylinder)
10) Hydraulikausschübe
11) Schubzylinder
12) Manuelle Verlängerung
13) Haken
14) Steuerungen

Table of Contents

Related product manuals