EasyManua.ls Logo

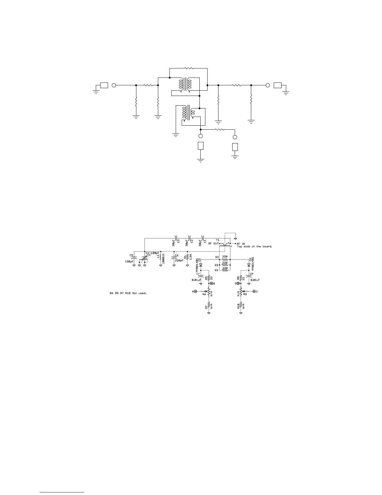
AMERITRON ALS-1306 - Power Divider PD8; SWR Sensor Board; PD8 Power Divider Figure 7; SWR Sensor Figure 8

AMERITRON ALS-1306
32 pages
Print Icon
To Next Page IconTo Next Page
To Next Page IconTo Next Page
To Previous Page IconTo Previous Page
To Previous Page IconTo Previous Page
Loading...
Revision 2
28
Power Divider PD8
-8db splitter
PD8 Rev2.1
Out C
IN
OUT A
T1
T2
OUT B
2W MOX
R84.7K
R7
100
R5
27
R4
200
R6
200
R3
200
R2
27
R1
200
PD8 Power Divider Figure 7
SWR Sensor Board
SWR Sensor Figure 8

Other manuals for AMERITRON ALS-1306

Related product manuals