EasyManua.ls Logo

AMERITRON ALS-1306 - Metering Board MB2

AMERITRON ALS-1306
32 pages
Print Icon
To Next Page IconTo Next Page
To Next Page IconTo Next Page
To Previous Page IconTo Previous Page
To Previous Page IconTo Previous Page
Loading...
Revision 2
29
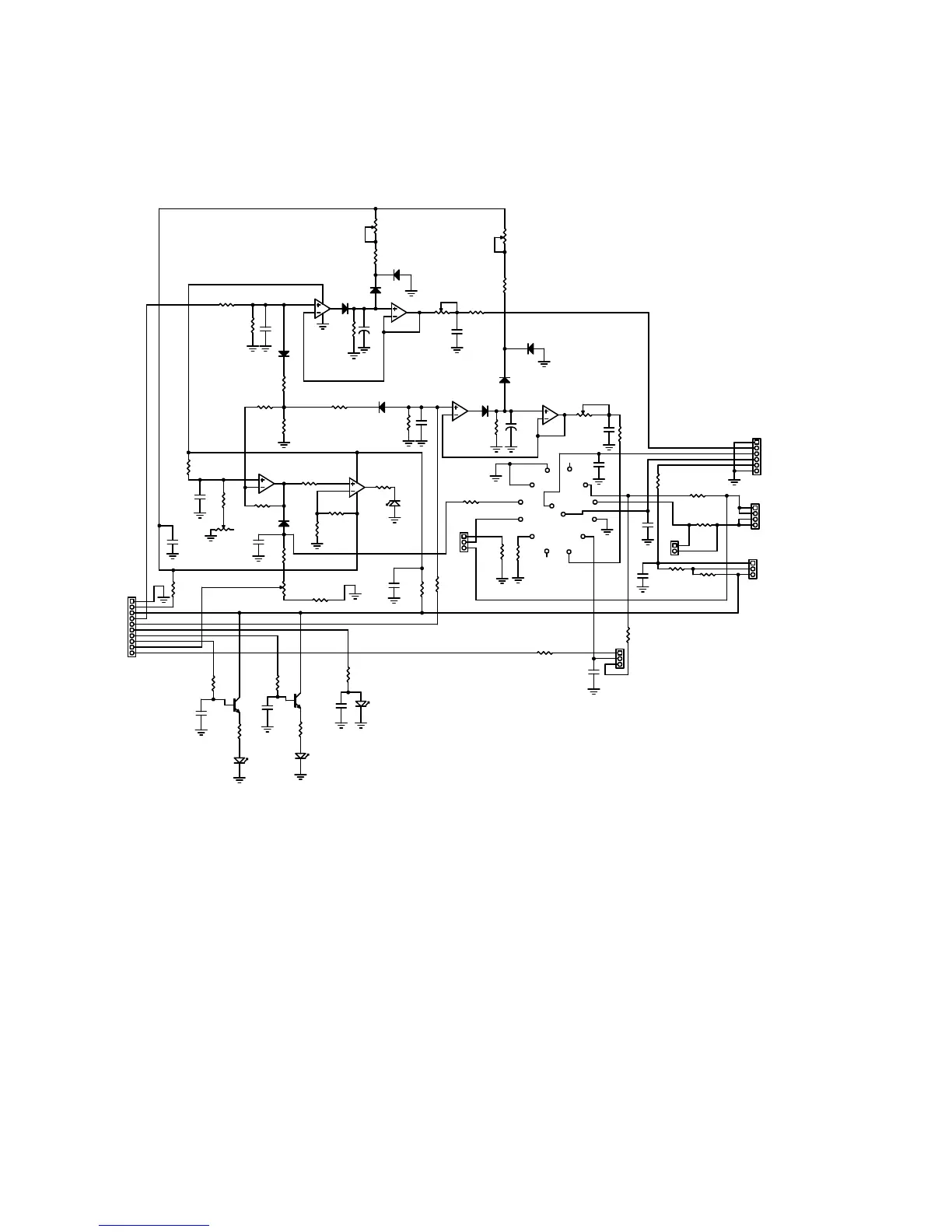
Metering Board MB2
-
+
PIN 1...V2
2...V2
3...V1
4...V1
J3 (606) Current
PIN 1...PAM
2...PAM
3...PS+
4...PS+
(1306) VOLTAGE
(606) CURRENT
PEAK METER / ALC
MB2 Rev1
C16
.1
D3
LED3
Q2
2N3904
C15
.1
Q1
2N3904
D2
LED2
D1
LED1
C14
1M
R18
4.7k
R20
4.7k
R12
10
R21
100
R4
5.6k
R8
1M
R9
10k
R17
4.7k
R5
10k
R33
470k
R26
560
R25
1k
R27
2.2k
R30
6.8k
R35
100k
R37
1k
R36
1k
J1
C1
.1
R1
2.5k 40%
D4
1N914
D5
1N914
C9
.01
C10
.1
D7
1N914
C11
.1
D8
1N914
D9
1N914
R24
47k
R41
2.2k
R23
47k
R40
2.2k
R22
2.2k
R45
33k
R46
33k
R44
33k
R43
1k
R28
10k
R19
10
R31
1M
R34
220K
R29
1k
R38
4.7K
R32
1k
R7
10
R11
36k
R10
36k
R13
470 1/2W
R14
1k 1/2W
R3
5.6k
R6
C13
.1
R
C
V1
V2
R
C
A
V1
A
V2
C5
.1
J2
J3
J4
R2
2.5k 40%
C2
.1
D3
1N914
C8
.01
D1
1N914
.1
JP2
JP3
JP1
C6
.1
C7
.1
R42
10k
D6
1N914
D2
1N914
D4
LED4
C12
.1
U2B LM358
U1A
LM324
R39
10k 10%
+
C4
2.2uF
+
C3
2.2
U1C
U2A
U1D
U1B
R16
1M 40%
R15
1M 40%
C17
.1
Gnd
Ref
Fwd
C
S
A
CL
T
+
-
REF HOLD
FWD HOLD
J4 Meter Brightness
1,2 low
2,3 high
J2 Multimeter
PIN 1...GND
2...FWD
3...MM -
4...MM +
5...LMP
6...GND
J1 Control
PIN 1...GND
2...12 -
3...12 +
4...FWD PWR
5...RFLCTD PWR
6...TRANSMIT LED
7...COMBINER LED
8...SWR LED
9...ALC VOLTAGE OUT
10...COMBINER LVL
+
-
CTRL
CAL
REF CAL
METER BRIGHTNESS
MULTI METER
Gnd
F
L
G
4
11
-12V
8V
+12V +12V
-12V
8V
8V
SW 1
14
13
12
8
9
10
7
6
5
2
1
3
1
2
3
6
5
7
ALC
4
8
-12V
+12
1
2
3
4
5
6
7
8
9
10
11
12
MB2 ALC/Metering board Figure 9

Other manuals for AMERITRON ALS-1306

Related product manuals