EasyManua.ls Logo

Ametek 900 - Installing the Span Gas Line

Ametek 900
256 pages
Print Icon
To Next Page IconTo Next Page
To Next Page IconTo Next Page
To Previous Page IconTo Previous Page
To Previous Page IconTo Previous Page
Loading...
1-2 | Model 900 ADA / Model 930 Sulfur Pit Analyzers
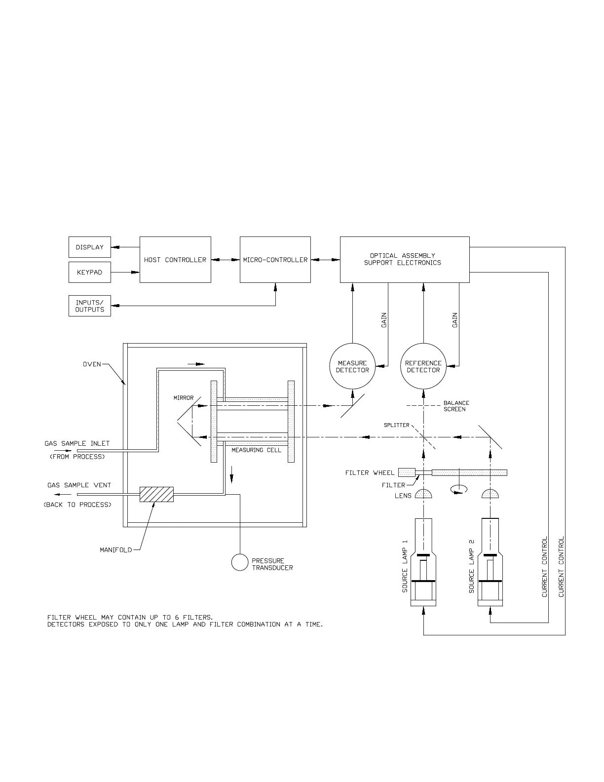
About the Analyzer
The analyzer is comprised of (Figure 1-1):
Two ultraviolet light sources (source lamps)
Chopper Wheel (Filter Wheel) containing up to six interference filters
Beam Splitter
Front-surfaced mirrors
Gas Measuring Cell (contained within an Oven). A pressure transduc-
er monitors the pressure at the outlet of the Measuring Cell.
Two matched Photodetectors
Figure 1-1.
Analytical schematic.

Table of Contents

Related product manuals